果园防盗报警器(555、LQ46)

📅 发布时间:2013-10-08 07:50 👁️ 浏览:5 🏷️ 标签: 555 46 LQ 防盗报警器

本电路图所用到的元器件:

555 LQ46 9014 TTDA2003

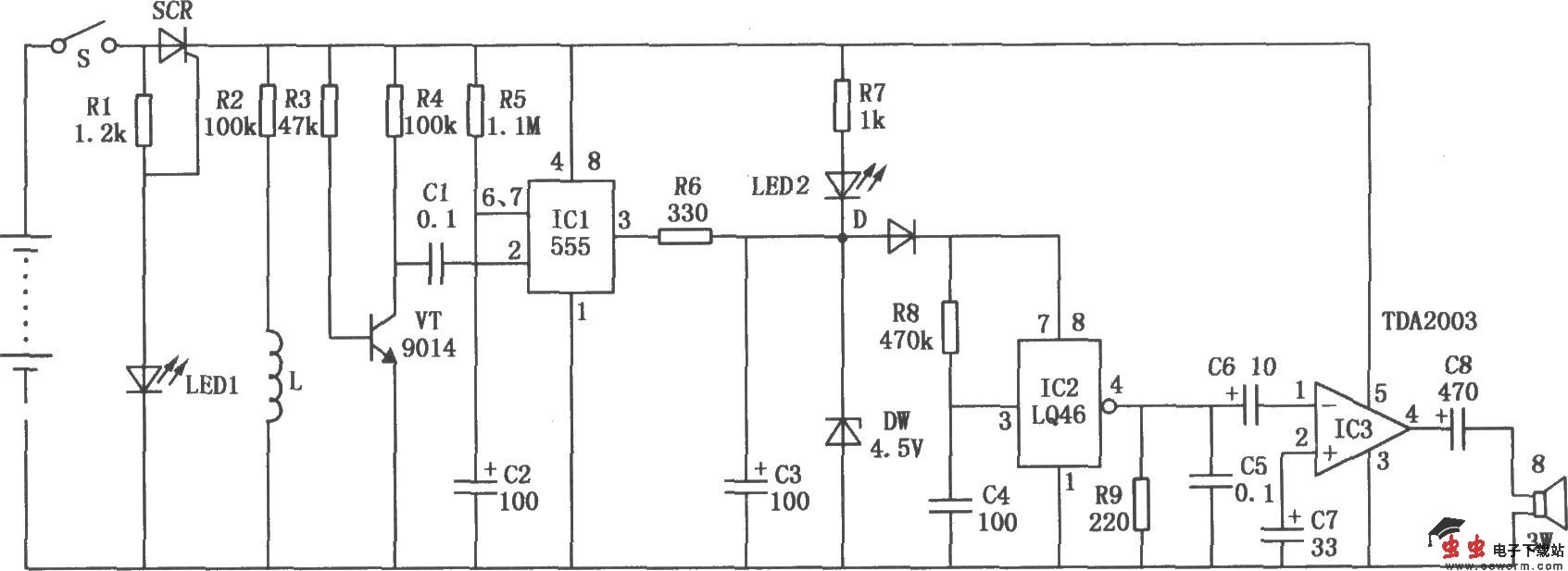
果园防盗报警器电路如图所示,它主要由NE555、LQ46和TDA2003集成电路芯片构成,该电路制作简单,使用元件较少,使用方便,工作可靠性较高,可用于果园防盗或吓走盗贼。

觉得这篇文章有帮助吗?