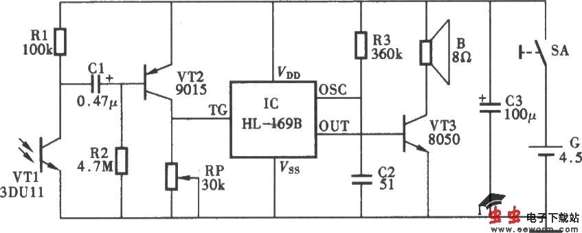
光控语音防盗报警器电路

📅 发布时间:2013-10-08 07:45 👁️ 浏览:4 🏷️ 标签: 光控 语音 电路 防盗报警器

本电路图所用到的元器件:

3DU11 HL-169B 8050 9015

觉得这篇文章有帮助吗?