振动传感式“和尚念经”电路(LM386、LH690)

📅 发布时间:2013-10-08 07:15 👁️ 浏览:1 🏷️ 标签: 386 690 LM LH

本电路图所用到的元器件:

LM386 555 9014 LH690 7806

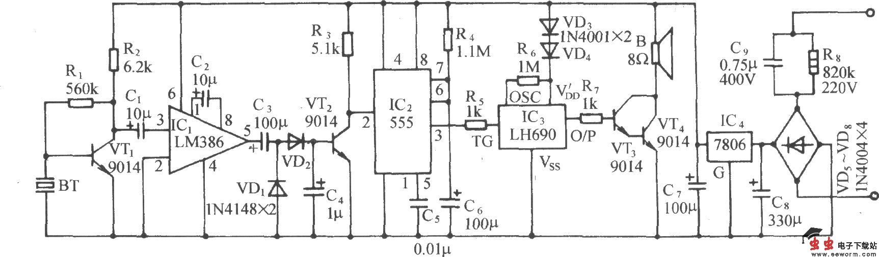
如图所示电路,它由传感器、放大级、整流电路、单稳态触发电路、“和尚念经”发声电路和交流降压整流电路等组成。

觉得这篇文章有帮助吗?