急性冠状动脉供血不足报警电路

📅 发布时间:2013-10-08 07:10 👁️ 浏览:5 🏷️ 标签: 报警电路

本电路图所用到的元器件:

F007 3DJ6 555 CH40106 C043 C180 3DG6 3DG12

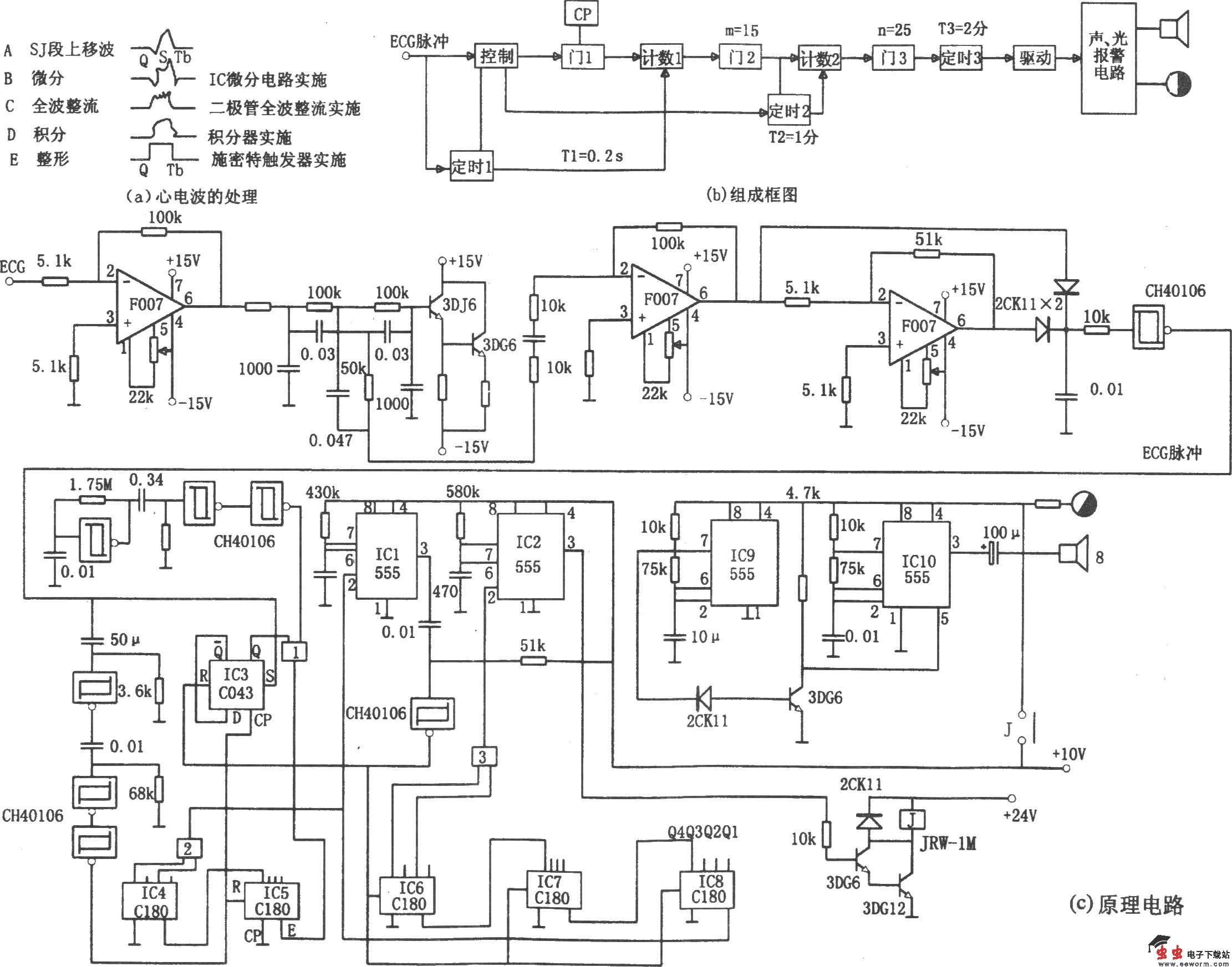
如图所示为急性冠状动脉供血不足报警电路。一般以急性冠状动脉供血不足为前兆的急性或陈旧性心肌梗塞病,其对应的心电波明显变异,T波高尖STb段呈损伤性上移。本报警电路就是将幅度变化转换成相应的宽度变化,把对心电波(ECG)的幅度检测变换成宽度检测。因宽度检测便于提取信息,有利于采用控制计数来实现。

由传感器测得的心电波信号,经放大、微分、全波整流、积分,并经施密特触发器整形后,输出相应的矩形脉冲。对于正常的ECG信号,其脉宽等于QRS期;而对于供血不足者的ECG信号,STb明显上移,如图中的波形A所示。其经微分、整流、积分、整形后的波形如E所示。将STb段变异信息进行提取和检测报警的方框图如图(b)所示,对应电路如图(c)所示。

图(c)中的IC1是单稳态触发器,定时时间t2=1分钟;IC2单稳定时为t3=2分钟,它控制IC9、IC10报警电路的电源电压的通断。IC9为一个低频无稳态多谐振荡器,它产生方波信号,图示参数对应的信号频率约为1Hz。该信号控制多谐振荡器IC10的控制端⑤脚,使其产生基本振荡频率约为1kHz的音频报警信号。

觉得这篇文章有帮助吗?