自行车防盗报警器

📅 发布时间:2013-10-08 06:25 👁️ 浏览:1 🏷️ 标签: 自行车 防盗报警器

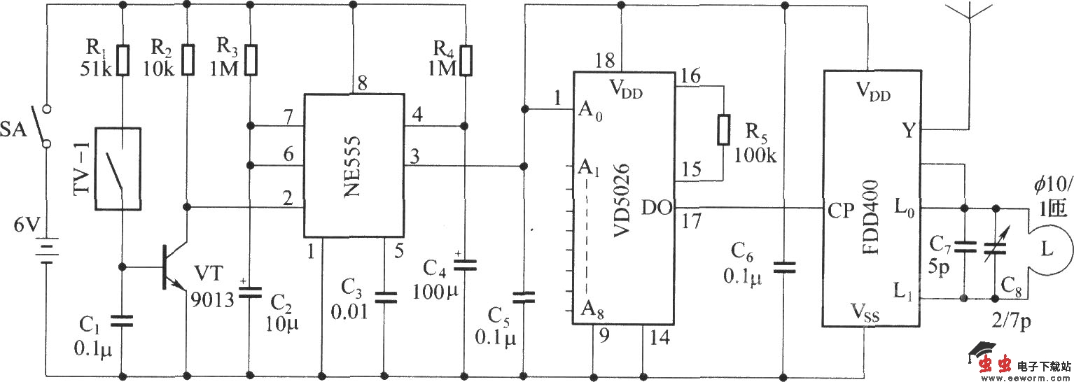
本电路图所用到的元器件:

NE555 VVD5026 FDD400 9013 JDD400 VVD5027 HFC9301 8050

遥控发射电路:

遥控接收电路:

觉得这篇文章有帮助吗?