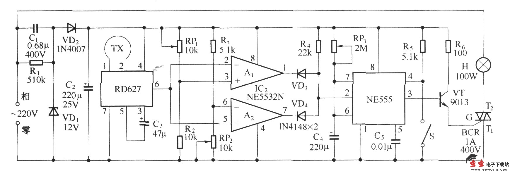
本电路图所用到的元器件:
RD627 NNE5532 NE555 9013
加载登录表单中...
加载注册表单中...
加载表单中...
登录后即可使用!
确认要退出登录吗?
退出后需要重新登录才能下载资源