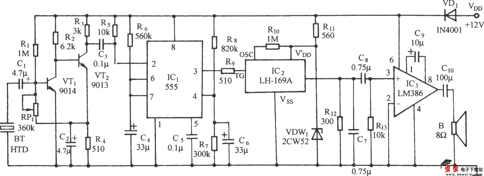
珍贵文物微振动防盗语言报警电铃

📅 发布时间:2013-10-08 04:30 👁️ 浏览:2 🏷️ 标签: 文物 振动 报警 防盗

本电路图所用到的元器件:

555 9013 9014 LH-169A LM386

电路如图所示。它由压电陶瓷传感器、声/电转换及放大器、单稳态定时电路、语言发声电路、音频功放电路等组成。

觉得这篇文章有帮助吗?