铁门防撬报警器(CD4528、555)

📅 发布时间:2013-10-08 04:20 👁️ 浏览:1 🏷️ 标签: 4528 555 CD 报警

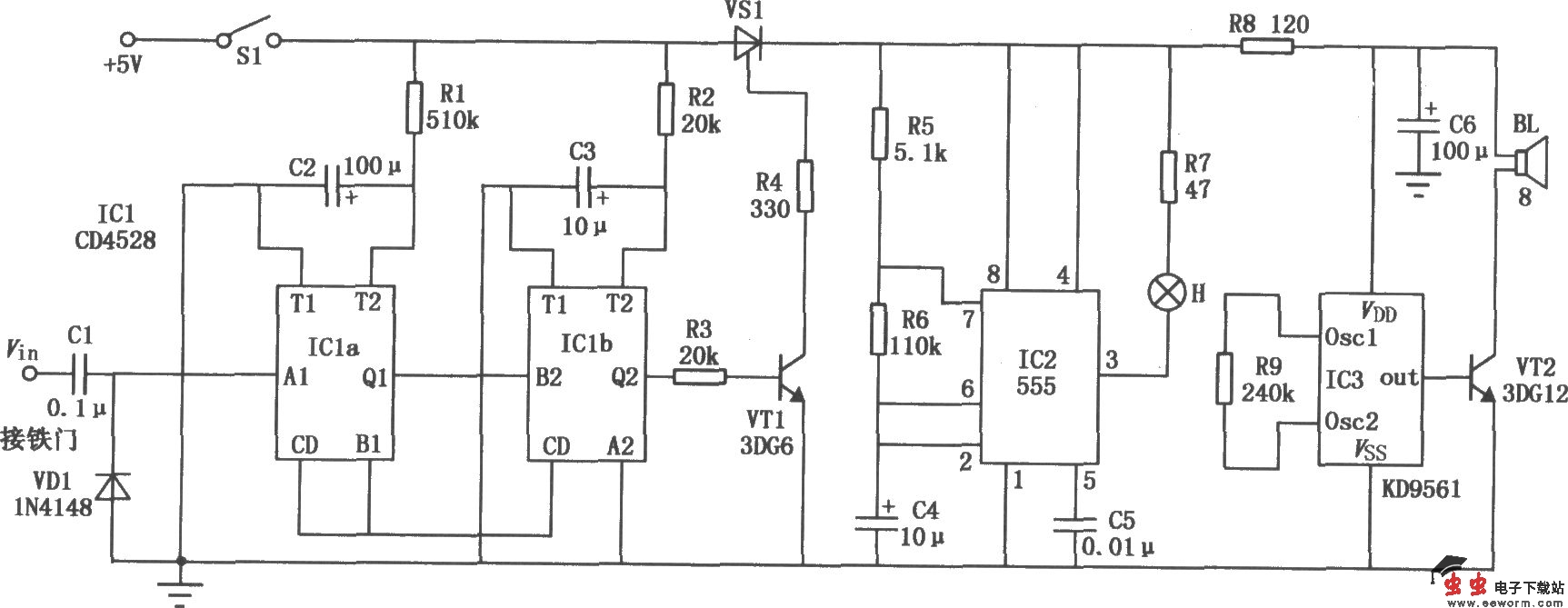
本电路图所用到的元器件:

CCD4528 555 KKD9561 3DG12 3DG6

铁门防撬报警器电路如图所示。它由CD4528、NE555和KD9561集成电路及外围元件构成。该电路的控制灵敏可调节,工作可靠性较高,成本较低。

觉得这篇文章有帮助吗?