库房温度测量报警器(F007、5G1555、F033)

📅 发布时间:2013-10-08 04:10 👁️ 浏览:1 🏷️ 标签: 5G1555 F007 F033 温度测量

本电路图所用到的元器件:

F007 55G1555 F033 5G1555 33AX31B

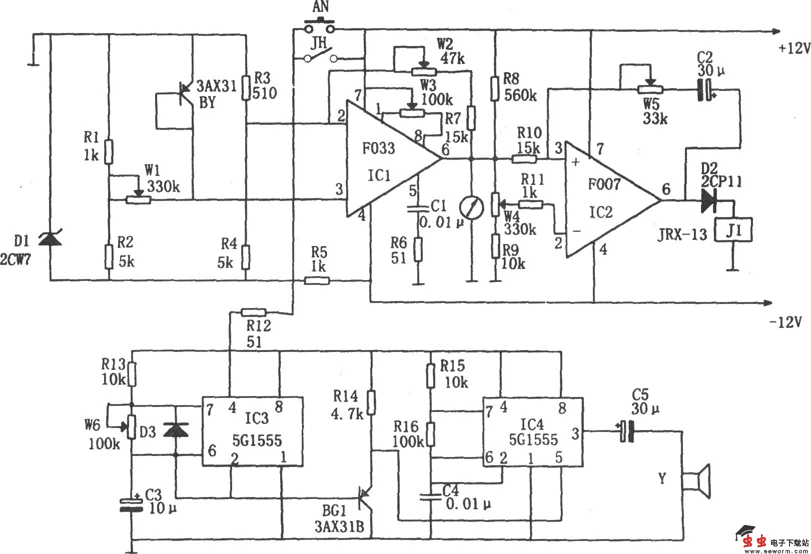
如图所示为库房温度测量报警电路。该装置由同相放大器IC1、比较放大器IC2、低频多谐振荡器IC3、可控振荡频率的多谐振荡器IC4、电桥测量网络、扬声器Y、电源电路等组成。其中电桥测量网络由温度传感器BY(锗管3AX31)的PN结、电阻R1~R4及电位器W1等组成。IC1(F033)与一些阻容元件组成同相放大器,IC2(F007)构成的比较放大器的参考电压接至IC2的反相端。IC3与阻容元件组成1Hz左右的低频振荡器,其相应又控制多谐振荡器IC4的振荡频率。

电路中可调节电位器W1使电桥在0℃时处于平衡状态,相应使IC1的输出约为0V,再用微安表CB进行调零。电位器W2用于调节放大器的增益,使微安表刻度达到约为0.1V/℃。电位器W3用来调节放大器的平衡,使微安表CB的指示为零。电位器W4用来调节放大器IC2的参考比较电压,可根据季节变化和室温要求来决定多高的温度才接通报警电路的电源,使之发出报警音响。另外报警电路的电源触点J1-1是受IC2输出端的继电器控制。当IC2的同相端③脚的电压比反相端②脚的高时,IC2输出为正电压,使D2导通,继电器的线圈因有电流流通而将J1-1触点吸合

觉得这篇文章有帮助吗?