多普勒防盗报警电路(LM555、RD627)

📅 发布时间:2013-10-08 03:40 👁️ 浏览:10 🏷️ 标签: 555 627 LM RD

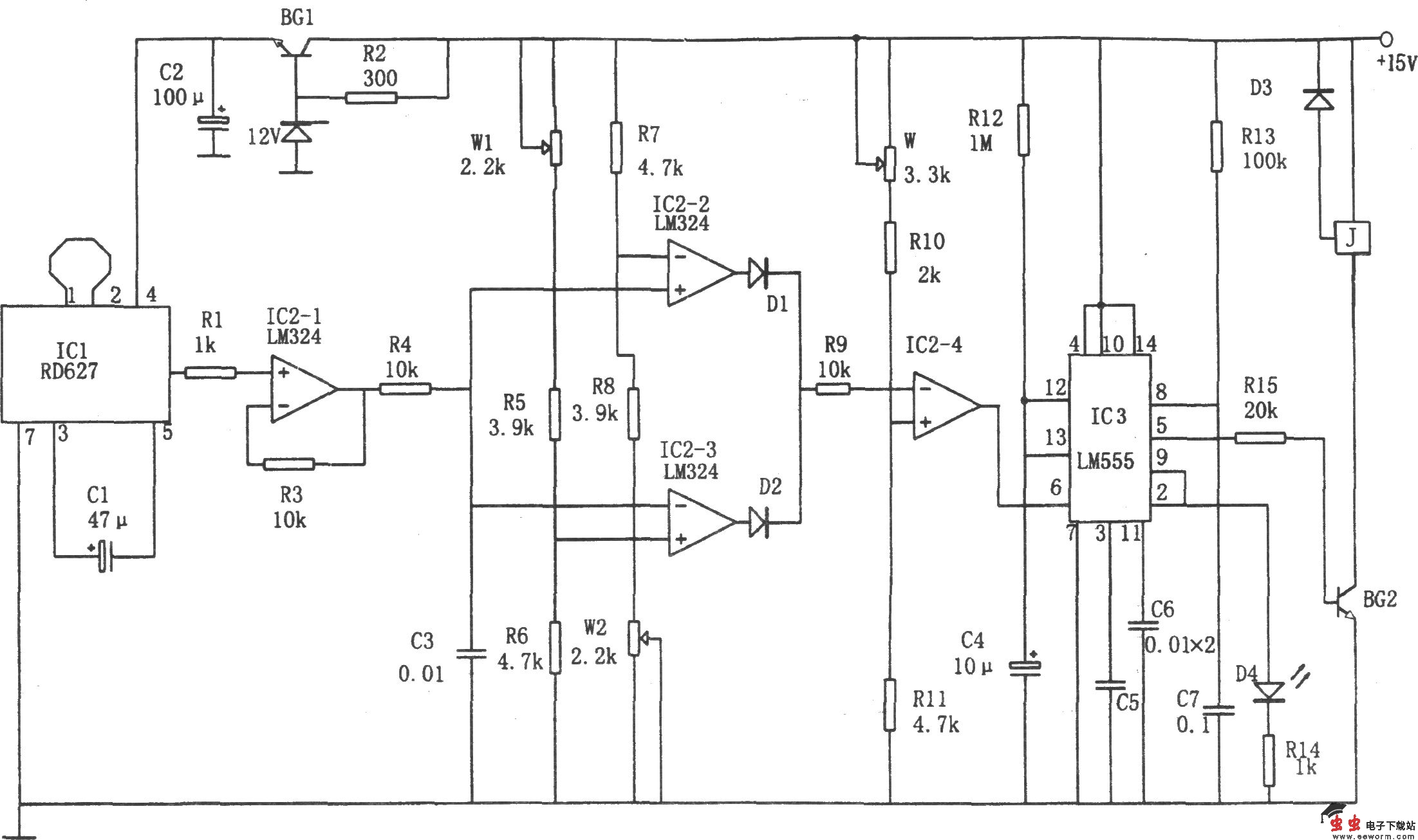
如图所示为多普勒防盗报警电路。该电路由电压比较器、多普勒效应传感集成电路、触发单稳及延时电路等组成。芯片IC3采用双时基电路556,其中的一半和元件R13、C7组成单稳触发器,另一半和R12、C4组成单稳延时电路,延时时间为td=1.1R12C4,图示参数对应的延时时间约为10秒,以使开机后主人有时间离开报警现场。芯片IC2采用四运放LM324。IC2-2、IC2-3组成窗口比较器,欲改变上、下限基准电压,则可通过调节电位器W1、W2来实现。IC2-4为反相比较器,其输出低电平触发芯片IC3。

芯片IC1采用专用多普勒效应传感器模块RD627,该模块内含有振荡器、射频发射头、检测、限幅器和多普勒放大器等。当有人移动时,其利用回波与发射波之间的频移来进行放大、检测,相应输出与人体移动所产生的多普勒频率成正比的直流电平。在有效发射区100平方米内,动态输出电压变化不小于±50mV,直流最大幅度可达5V,且移动体离传感器越远,输出的电平幅度越小。

该报警器适用于100平方米内有人活动的场合。

觉得这篇文章有帮助吗?