
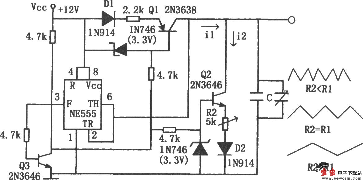
如图所示为可调节对称性的三角波发生电路。该电路由定时器NE555构成三角波发生器,工作频率可达到100kHz左右。图中晶体管Q1和Q2组成开关式恒流源,其开关状态由Q3进行控制。当Q3导通时,其集电极为低电平,此时电流源Q1导通,并以恒定电流i1对电容C充电,C两端电压为一线性斜波。当电容C两端电压达到2E/3(定时器的高触发电平)时,定时器3脚为低电平,Q3截止,其集电极变成高电平,则电流源Q1截止,Q2导通。此时,电容C通过Q2以恒定电流i2放电。当C两端电压降到E/3(定时器的低触发电平)时,定时器的3脚又回到高电平,电容C又开始充电,如此反复进行,可产生三角波输出。如果电源电压E=12V,则三角波幅度为4V(由4V变到8V)。