音乐音阶信号发生器(NE555、CD4017)

📅 发布时间:2013-10-05 14:05 👁️ 浏览:3 🏷️ 标签: 4017 555 NE CD

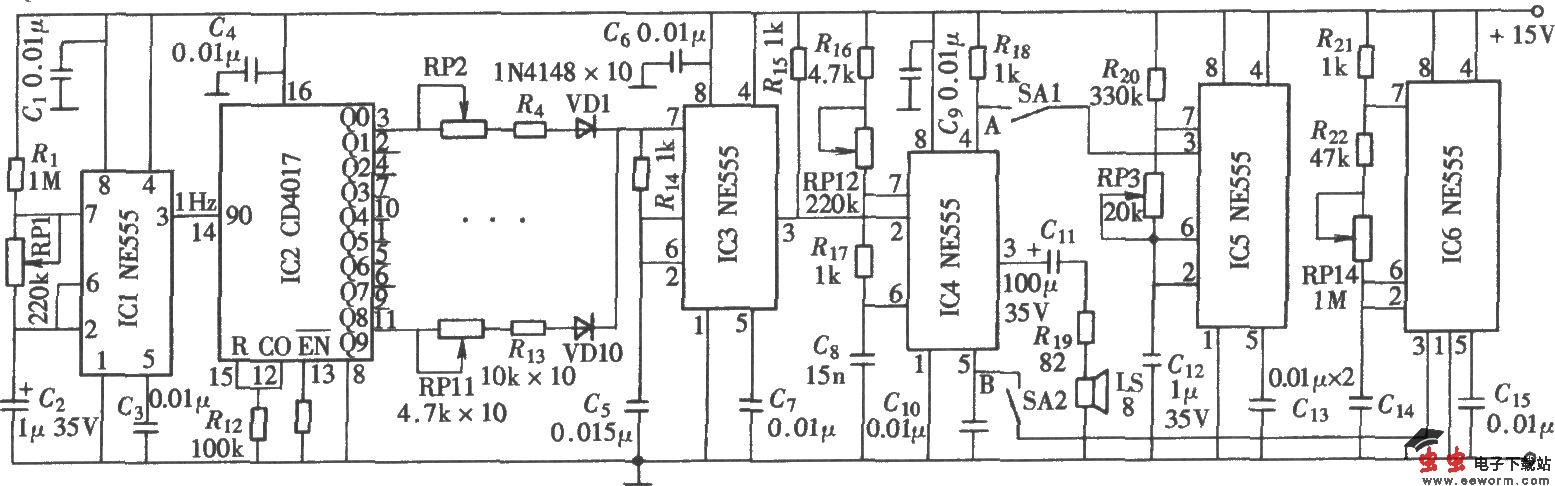
音乐音阶信号发生器(NE555、CD4017)

音乐音阶信号是按一定频率间隔顺序排列的振荡脉冲,它可以通过各种乐器的机械振动产生,也可通过电子电路组成的振荡器来产生。由数字电路组成的振荡器,通过步进控制可产生l0个音阶,循环演奏,电路组成如图所示。电路由基本音阶振荡器、步进脉冲振荡器和音阶间隔控制电路等组成

觉得这篇文章有帮助吗?