发声特殊的音频振荡器电路(NE555、CD4017)

📅 发布时间:2013-10-05 06:20 👁️ 浏览:2 🏷️ 标签: 4017 555 NE CD

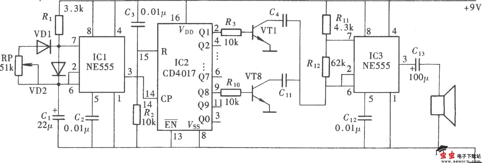
通常,一种音频振荡器总是发出某一固定频率的声响。下面介绍的这个音频振荡器通过对振荡电路中参数的设置和工作程序的控制,可以发出我们自己爱好的乐音或者我们不熟悉的怪声。其电路如图所示。

发声特殊的音频振荡器电路(NE555、CD4017)

觉得这篇文章有帮助吗?