
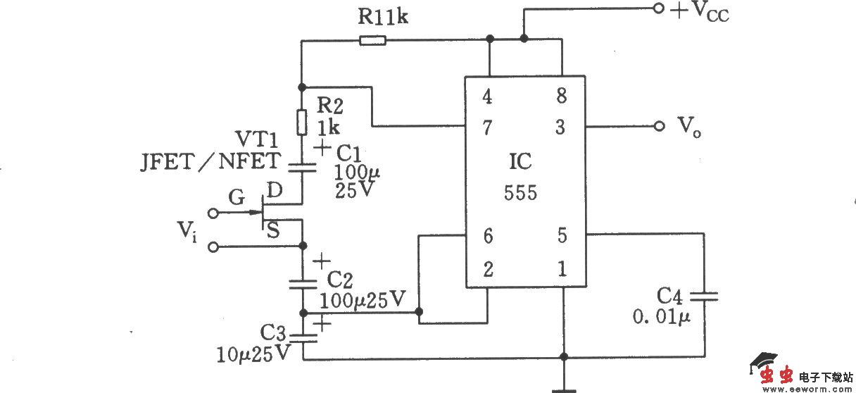
如图所示电路以555定时器构成自激多谐振荡器。场效应管VTl做压控电阻(VVR)。通过改变源一栅间电压VGS,可以改变此JEFT漏极(D)和源极(S)之间的电阻。两个耦合电容Cl和C2可以避免电路其余部分的直流电压影响VTl。为了不使耦合电容影响555定时器的充、放电时间,耦合电容Cl和C2之值为定时电容的值十倍,而同时可以在VTl的D极和S极间得到一个压变电阻RDS,并由此产生可随VGS变化的占空周期。RDS可变到100kΩ。为获得占空周期的最大变化,R2的值应取较小为宜。

如图所示电路以555定时器构成自激多谐振荡器。场效应管VTl做压控电阻(VVR)。通过改变源一栅间电压VGS,可以改变此JEFT漏极(D)和源极(S)之间的电阻。两个耦合电容Cl和C2可以避免电路其余部分的直流电压影响VTl。为了不使耦合电容影响555定时器的充、放电时间,耦合电容Cl和C2之值为定时电容的值十倍,而同时可以在VTl的D极和S极间得到一个压变电阻RDS,并由此产生可随VGS变化的占空周期。RDS可变到100kΩ。为获得占空周期的最大变化,R2的值应取较小为宜。