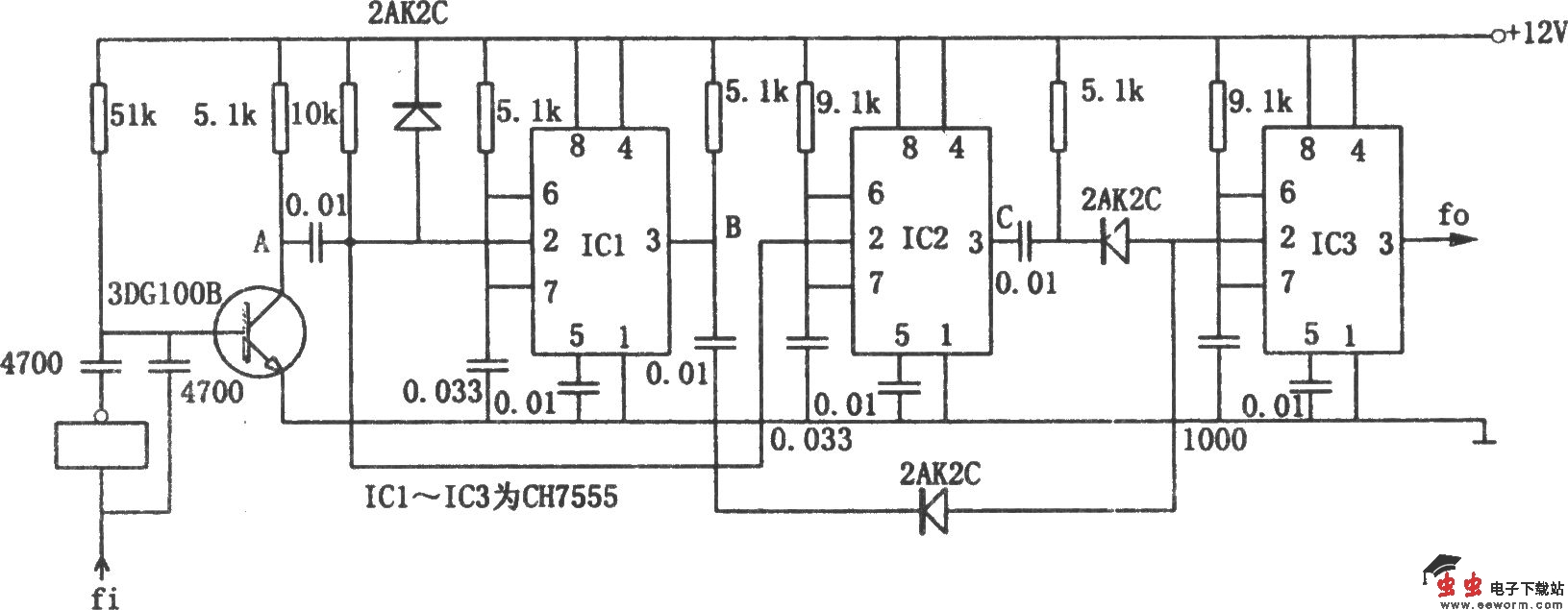
CH7555构成的四倍频电路

📅 发布时间:2013-10-04 13:35 👁️ 浏览:1 🏷️ 标签: 7555 CH 倍频电路

CH7555构成的四倍频电路

如图所示为四倍频电路。该电路是由3块CH7555定时器构成的倍频电路。对称方波fi输入后,经反相器和晶体管产生二倍频。该信号同时去触发CH7555组成的单稳电路,因此,在IC1和IC2的输出端产生两组不同宽度的脉冲,再利用它们的下降沿去触发IC3组成的单稳电路,在IC3的输出端即得四倍频输出。

觉得这篇文章有帮助吗?