电气设备过热“刹车声”发声告戒电路

📅 发布时间:2013-10-02 01:25 👁️ 浏览:0 🏷️ 标签: 电气设备 刹车 发声 电路

电气设备过热“刹车声”发声告戒电路

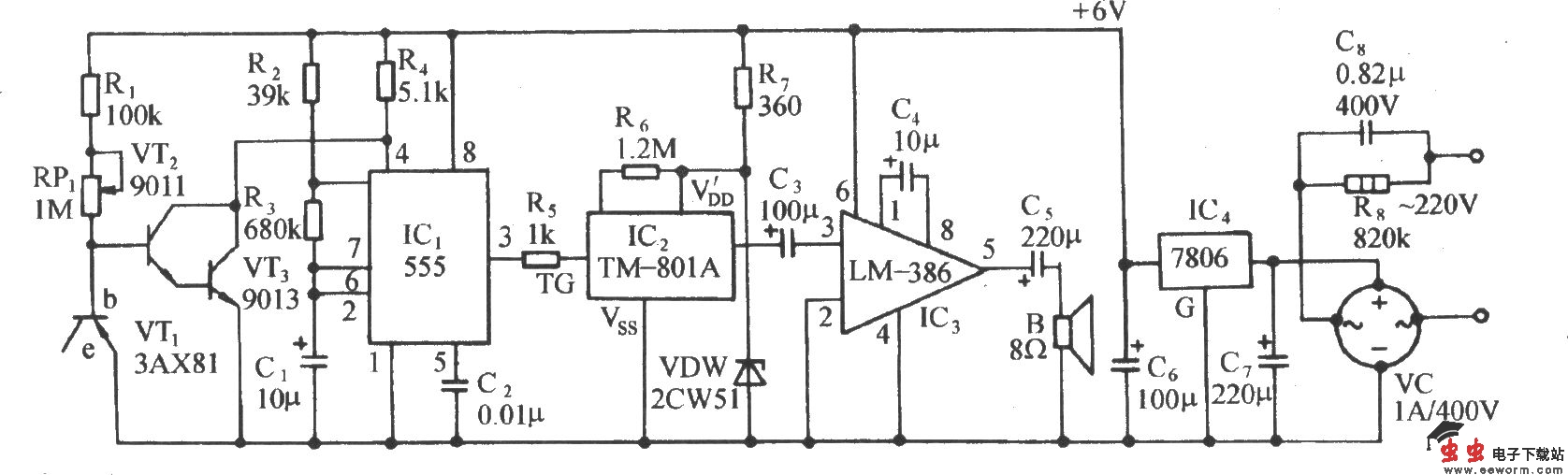
如图是电气设备的模拟声告戒电路。它由温度过热电子开关、可控式多谐振荡器、模拟发声电路、音频功放电路和交流降压整流电路等组成。555和R2,R3,Cl等组成一个可控式多谐振荡器,它的多谐振荡频率为:

电气设备过热“刹车声”发声告戒电路

图示参数的振荡周期To(=1/fo)为10s。

觉得这篇文章有帮助吗?