光电控制电路

📅 发布时间:2013-10-01 02:50 👁️ 浏览:2 🏷️ 标签: 光电控制 电路

光电控制电路

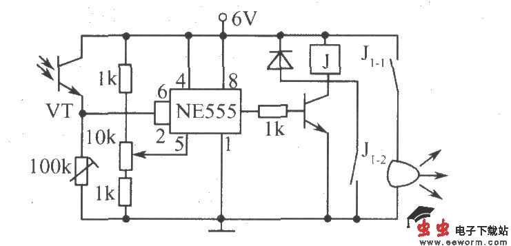
如图所示为光电控制电路。它由NE555电路为核心组成,当光敏管VT有激光照射时导通,时基电路阈值6脚、触发端2脚上升到4V以上,于是3脚输出低电平,继电器不吸合。当激光被遮挡切断,VT变为截止,2、6脚变成低电平,3脚输出高电平,继电器得电,J1-2吸合自锁, J1-1吸合使电铃发出警报声告警。按下图安装,收发端可根据需要做成可移动式或固定警戒网,有人跨越阻断激光通路,即发出告警声,可广泛使用于仓库、车站临时堆物、大面积果园等防护。

光电控制电路 

觉得这篇文章有帮助吗?