竞赛用的计时钟电路

📅 发布时间:2013-10-01 02:20 👁️ 浏览:0 🏷️ 标签: 竞赛 计时 钟电路

竞赛用的计时钟电路

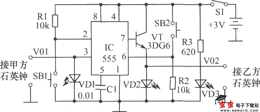
如图所示为竞赛用的计时钟,它采用555电路组装而成,具有电路新颖、性能可靠、制作容易、直观有趣的优点。555电路有双极型(TTL)和互补金属氧化物半导体型(CMOS)集成电路两大类。它是一种应用十分广泛的集成电路,外围只需加上少量元件,便可以很方便地组成单稳、双稳、无稳电路。

元器件选择:IC选择双极型CD555时基集成电路。VT选择3DG6三极管。VD1~VD3选择Φ5mm的。计时钟选用指针式石英。

觉得这篇文章有帮助吗?