数字式频率计(CD40110、NE555、CD4017)

📅 发布时间:2013-09-30 06:00 👁️ 浏览:0 🏷️ 标签: 40110 CD 4017 555

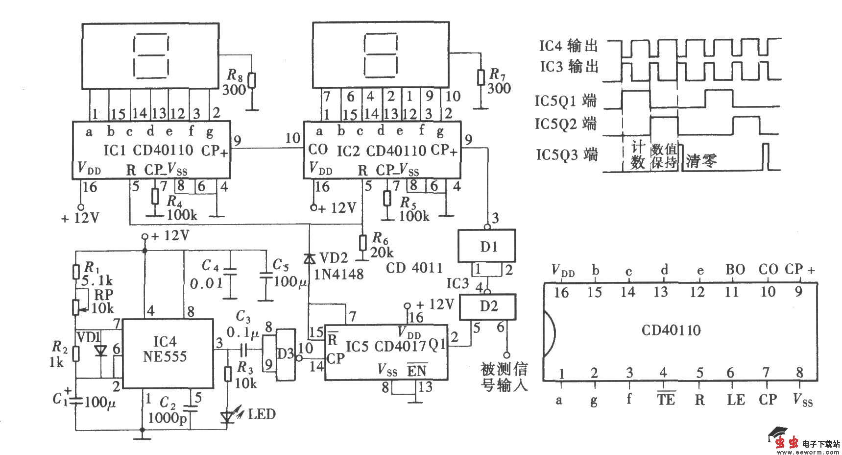
由频率的定义可知,频率是脉冲信号每秒钟振动的次数。因此,如果用一个电子计数器和一个控制闸门,设法让被测信号只输入1s。那么该计数器所显示的数值即是该被测信号的频率。电子数字式频率计就是按照这个原理设计的。下面介绍结构较为简单的两位数字式频率计,电路组成如图所示。它由两位计数器、控制闸门、秒时基发生电路和被测信号输入电路组成。

数字式频率计(CD40110、NE555、CD4017)

(a)为原理图;(b)为波形图;(c)为CD40110引脚图。

觉得这篇文章有帮助吗?