电磁振荡演示器(NE555、CD4017)

📅 发布时间:2013-09-30 05:45 👁️ 浏览:2 🏷️ 标签: 4017 555 NE CD

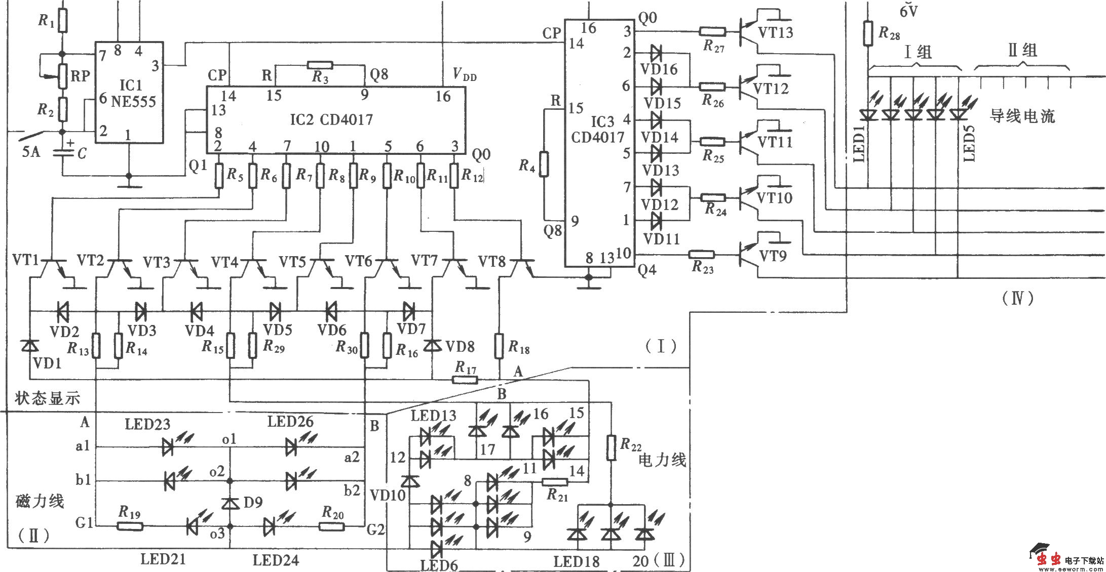
电磁振荡演示器(NE555、CD4017)

在电磁振荡教学中,通常只是采用一只电流计来显示其电流的变化和强弱,而语言的描述又难以讲清其实质。如图所示为“电磁振荡演示器”电路。它通过发光二极管的流动方式显示,可以直观而形象地显示在电磁振荡中,电流、磁场和电场在电磁振荡过程中的变化情况。它由线圈电流显示电路、磁场变化显示电路、电场变化显示电路、脉冲驱动电路和工作电源组成。

觉得这篇文章有帮助吗?