数字显示式光电计数电路之二

📅 发布时间:2013-09-26 23:15 👁️ 浏览:2 🏷️ 标签: 数字显示 光电 计数电路

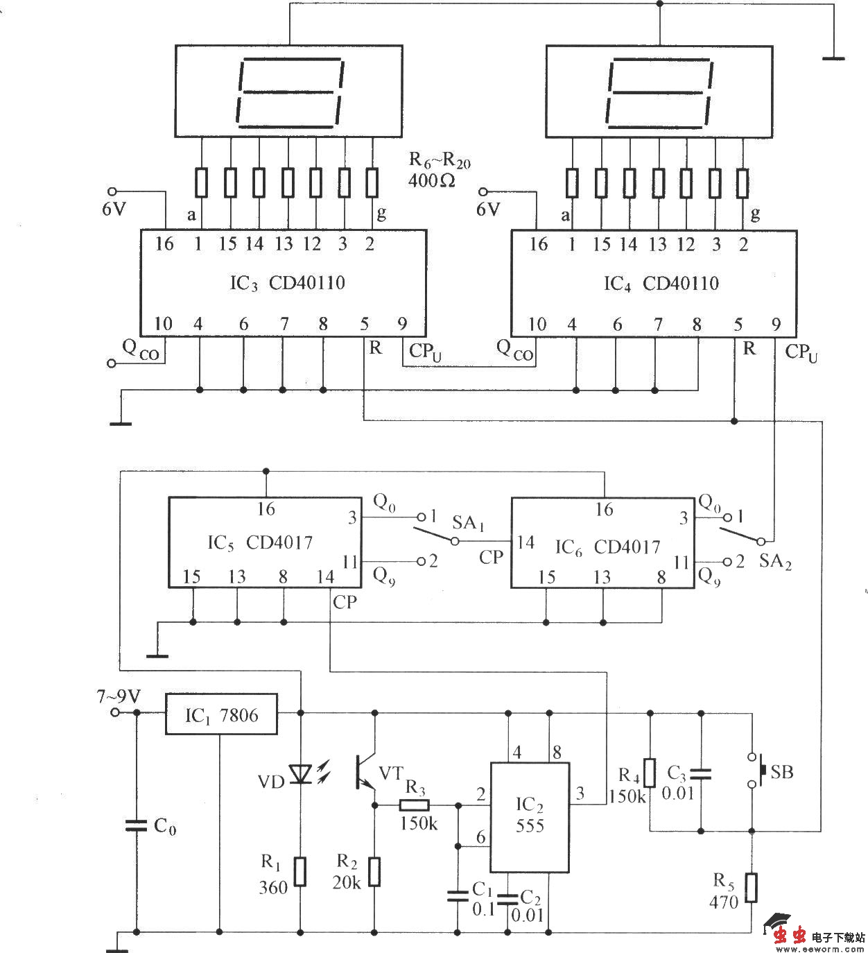
数字显示式光电计数电路之二

该电路由光电输入电路(VD,VT),计数脉冲形成电路(555),倍率调节电路(IC5,IC6)和计数与显示电路组成(CD40110).

觉得这篇文章有帮助吗?