
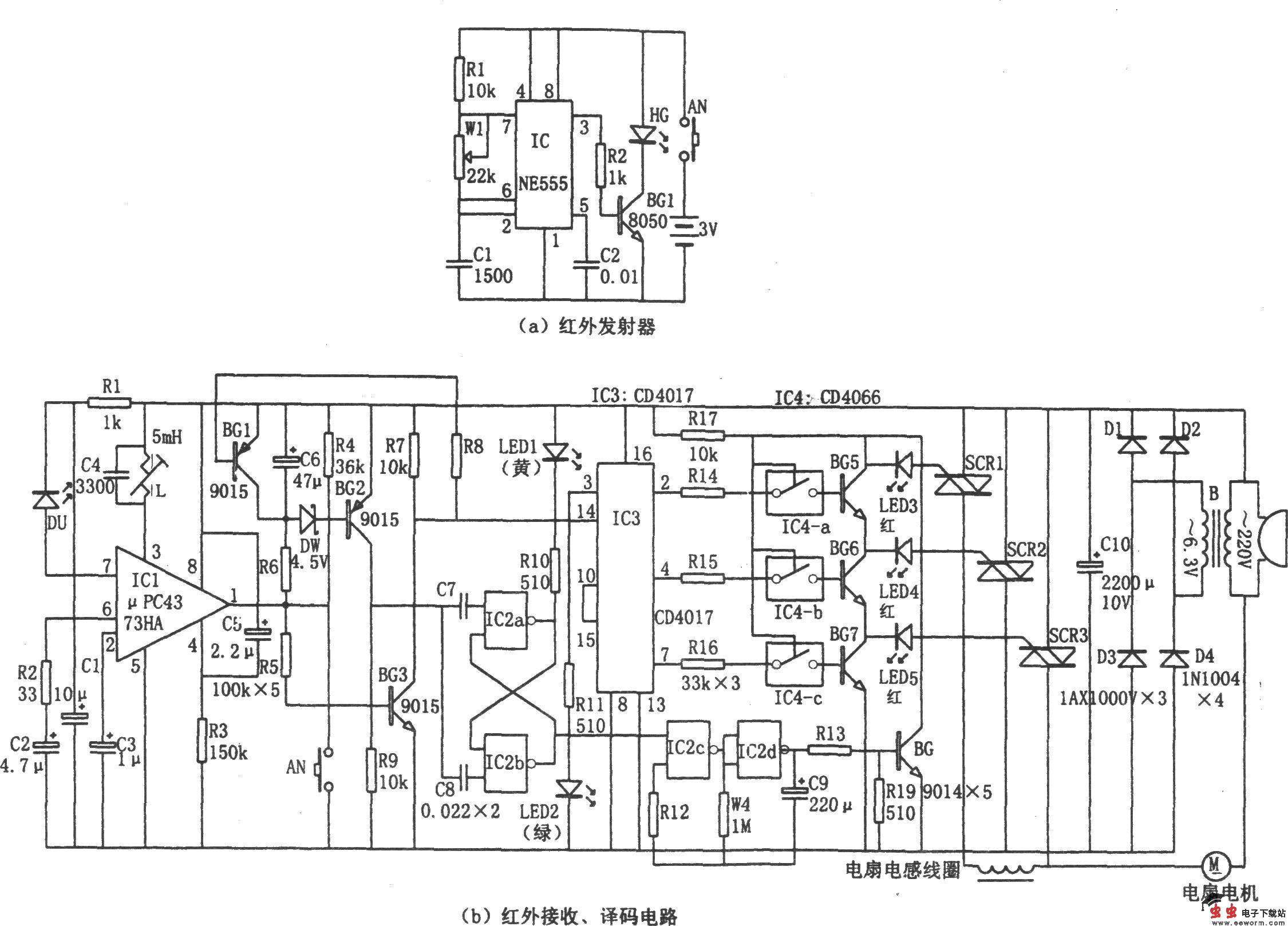
如图所示为家用电扇红外遥控电路。该遥控器包括发射器和接收、控制两部分。红外发射器的核心为由555和R1、W1、C1等组成的无稳态多谐振荡器,其振荡频率为f=1.44/(R1 2Rw1)C1,并调节在38kHz上,以驱动红外发射二极管HG310或HG450发射红外脉冲。
红外接收管应采用与发射管配对的管型,在选择时要注意光波长及光功率。IC1采用专用红外接收集成块μPC1373HA,将L、C4回路调谐在中心频率38kHz上,一旦收到红外光脉冲信号,该信号经IC1放大、检波、整形后,使IC1输出低电平信号,相应使BG2截止,其集电极输出的高电平信号加至IC3的时钟输入端,开始计数,输出第一个高电平脉冲(Y1),使电子开关IC4-a、BG5导通,可控硅SCR1导通,电扇得电,进入“弱”风运转状态;下一个控制信号到来后,输出第二个高电平脉冲(Y2),使电子开关IC4-b、BG6、SCR2相继导通,电扇进入“中”风状态;继而进入“强”风状态;若再有控制信号到来,出现的第四个高电平脉冲Y4加至复位端,使IC3清0,计数停止,风扇停转。
当IC1收到持续时间约为5秒以上的红外信号时,①脚因呈低电平而对C6进行充电,当C6充电到一定值时,稳压管Dw击穿导通,相应使BG3管导通,其集电极电位升高,从而使双稳态电路IC2a、IC2b翻转,同时IC2b输出的高电平又使由IC2c、IC2d及Rm12、W1、C9等组成的可控振荡器起振,BG4管则随振荡脉冲的高低而导通-截止-导通,从而控制IC4(CD4066)的三个开关依次导通、关闭,随之。可控硅SCR1、SCR2、SCR3依次开启、关闭,形成自然风。调节电位器W1,可改变IC2c、IC2d振荡器的频率,使自然风的效果更佳。