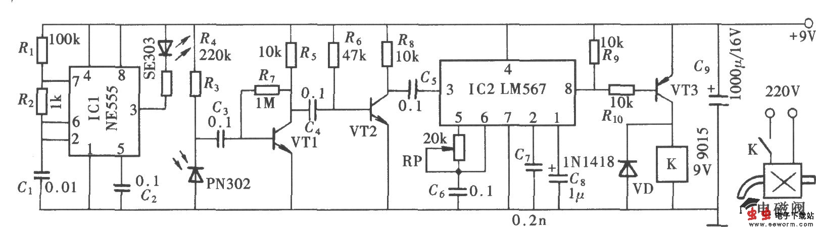
由NE555、LM567组成的红外线控制自动水龙头

📅 发布时间:2013-09-26 18:40 👁️ 浏览:1 🏷️ 标签: 555 567 NE LM

由NE555、LM567组成的红外线控制自动水龙头 
网友报错响应(补充:VT1、VT2可用9014、9013等小功率三极管)
红外线控制自动水龙头与红外线控制自动干手器是基于同一控制原理组成的。只是红外线控制自动干手器是用来控制电热吹风机的开与关,而红外线控制自动水龙头是用来控制电磁水阀门的开与关的。本例要介绍的红外线控制自动水龙头,其组成如图所示。电路由红外线发射器、红外线接收放大器和阀门开关控制器组成。

觉得这篇文章有帮助吗?