
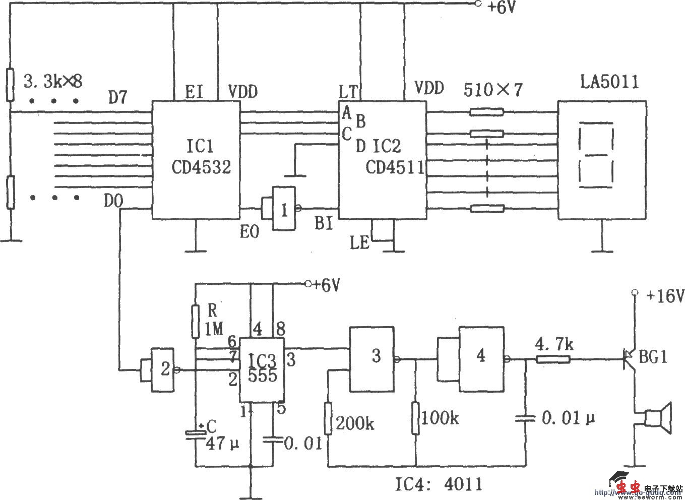
如图所示为八路数字显示优先报警电路。该电路由定时音响电路、八路编码器、译码器、数码显示电路等组成。IC1(CD4532)为八位优先编码器,它的八路输入控制线分别接有K0~K7八个开关,当因某种情况有一个输入控制线被断开时,则相应输入为高电平,编码器便编出相应的3位二进制地址码。若同时有二路以上输入控制线被断开,则编码器将优先响应其中较高一级的那条控制线。CD4532的优先级顺序从高到低依次为D7、D6、D5、D0。CD4511为译码器,其对前面编出的三位地址进行译码,并驱动LED数码管显示出相应的码值(十进制数)。如K6、K5、K3同时断开,编码器编出K6所对应的二进制码110,数码管显示“6”。图中E0反相后接到4511的消隐端BI,对应4511将不译码,从面可防止误显示。另外,555和R、C组成单稳定时电路,定时时间为td=1.1RC,图中所示参数对应的定时约为45秒。IC4(4511)为2输入与非门,其中两个门电路组成音频振荡器。在定时时间内发出报警音响。