由NE555、CD4017组成的节日字灯显示电路

📅 发布时间:2013-09-25 23:15 👁️ 浏览:4 🏷️ 标签: 4017 555 NE CD

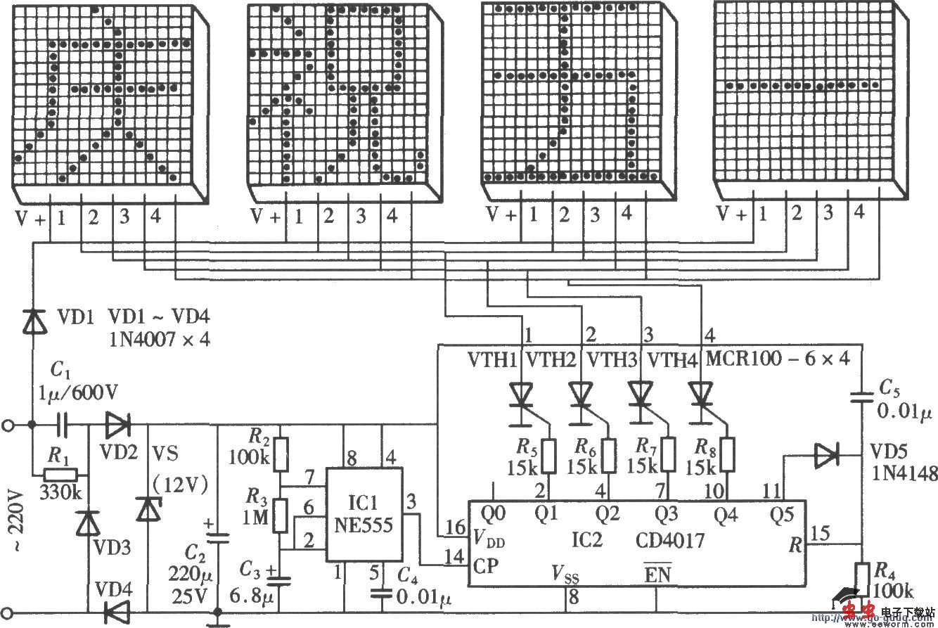
由NE555、CD4017组成的节日字灯显示电路

如图所示的节日字灯显示电路中的显示屏采用由发光二极管阵列组成的发光显示屏,通过预先对显示屏所需显示的节日祝贺辞“写”入显示屏。当节日期间使用时,利用控制电路使其按设定的时间和程序进行显示,电路组成如图所示,主要由节日字显示屏、显示程序控制电路和电源电路组成。

觉得这篇文章有帮助吗?