
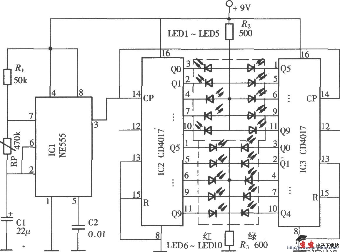
如图所示电路主要由两只十进制计数器CD4017组成,两计数器的每一个输出端共同驱动一只双色发光二极管,通过输出端与发光二极管的交叉连接,在时钟脉冲的作用下,两计数器输出的脉冲使双色发光二极管呈现出复杂的流动花样变化,电路组成如图所示。电路由两只十进制计数器CD4017和一只NE555时基电路组成。其中NE555与R1、RP及C1组成一个多谐振荡器,向两个计数器提供时钟脉冲,其脉冲频率可根据实际情况,通过RP来调节。

如图所示电路主要由两只十进制计数器CD4017组成,两计数器的每一个输出端共同驱动一只双色发光二极管,通过输出端与发光二极管的交叉连接,在时钟脉冲的作用下,两计数器输出的脉冲使双色发光二极管呈现出复杂的流动花样变化,电路组成如图所示。电路由两只十进制计数器CD4017和一只NE555时基电路组成。其中NE555与R1、RP及C1组成一个多谐振荡器,向两个计数器提供时钟脉冲,其脉冲频率可根据实际情况,通过RP来调节。