用NE555、CD40198组成的十六级调光台灯电路

📅 发布时间:2013-09-25 21:50 👁️ 浏览:2 🏷️ 标签: 40198 555 NE CD

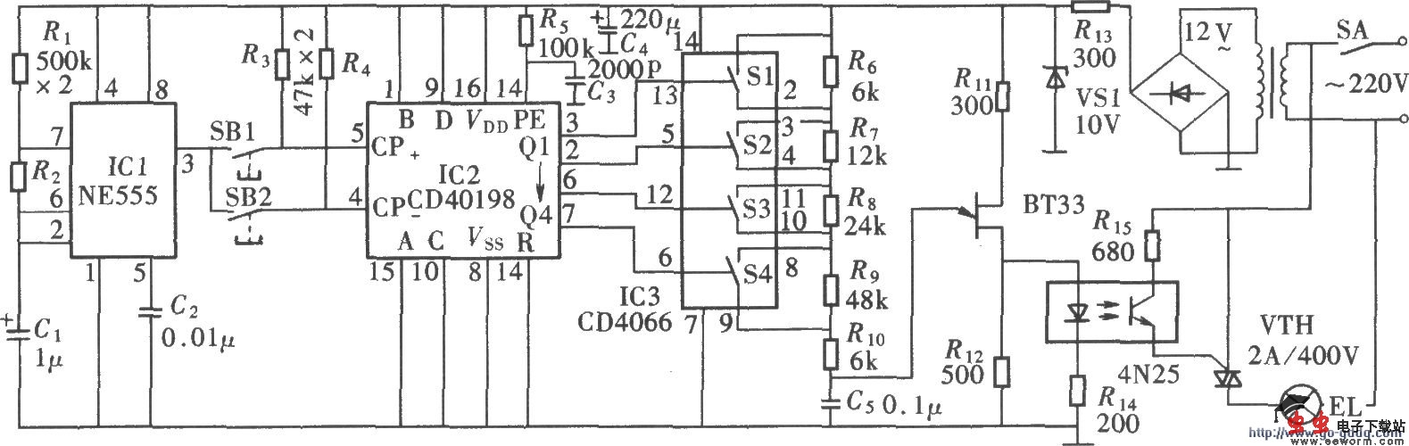
十六级调光台灯电路(NE555、CD40198)

如图所示的十六级调光台灯电路采用了一只四位二进制加减计数器CD40193作调光电路的控制电路,其电路组成如图所示。十六级调光台灯电路由一只NE555、一只可预置数的二进制加减计数器CD40193、一只四双向模拟开关CD4066和由单结晶体管BT33组成的晶闸管触发控制电路组成。

觉得这篇文章有帮助吗?