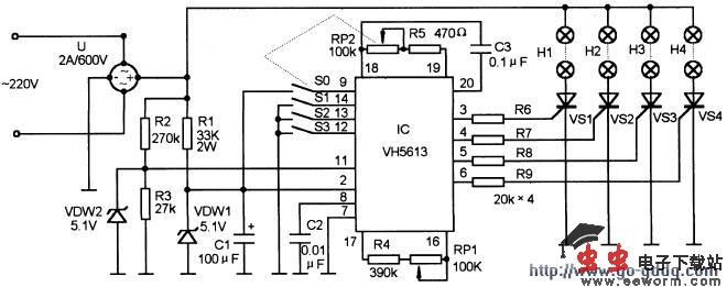
由VH5613构成的四路彩灯串控制电路原理如图所示。220V市电经全桥U整流后,由电阻R1限流降压,电容器C1滤波,VDW1将其电压稳定在5.1V供给ICVH5613工作。由电阻R2、R3构成1/10分压器,由VDW2将其电压稳定在5.1V供给IC作信号同步输入。R4、RP1、R5、RP2构成的振荡电路可以通过调节RP1、RP2的阻值来调速、调光。S1、S2、S3可组合(高电平1及低电平0)成不同花样功能,如表所示。其模式的具体花样如下:模式A1:前进循环;模式A2:进退循环。前进20步之后改为后退;后退20步又改为前进。如此循环。模式A3:复合循环。先以4种速度前进,接着又以4种速度后退,其速度从高至低。模式B1:非闪烁调光。四路彩灯串均从暗变到全亮后,再从全亮又变暗。模式B2:进退循环调光。四路彩灯串顺序由暗变到全亮后,再由全亮变到暗,每4次后改变其循环方向。模式B3:复合循环调光。四组彩灯串中的任意两组相邻的灯串从暗变到全亮后,再从全亮变到暗,并顺序循环。每循环4次改变其循环方向。模式T:触发模式。IC依次改变如上述的6种花样,每种花样的持续时间约为20s。用户亦可利用SO来选择工作模式,如果将SO接VDD(即闭合)即固定了当前所处的工作模式。

由VH5613构成的四路彩灯串控制电路
觉得这篇文章有帮助吗?