
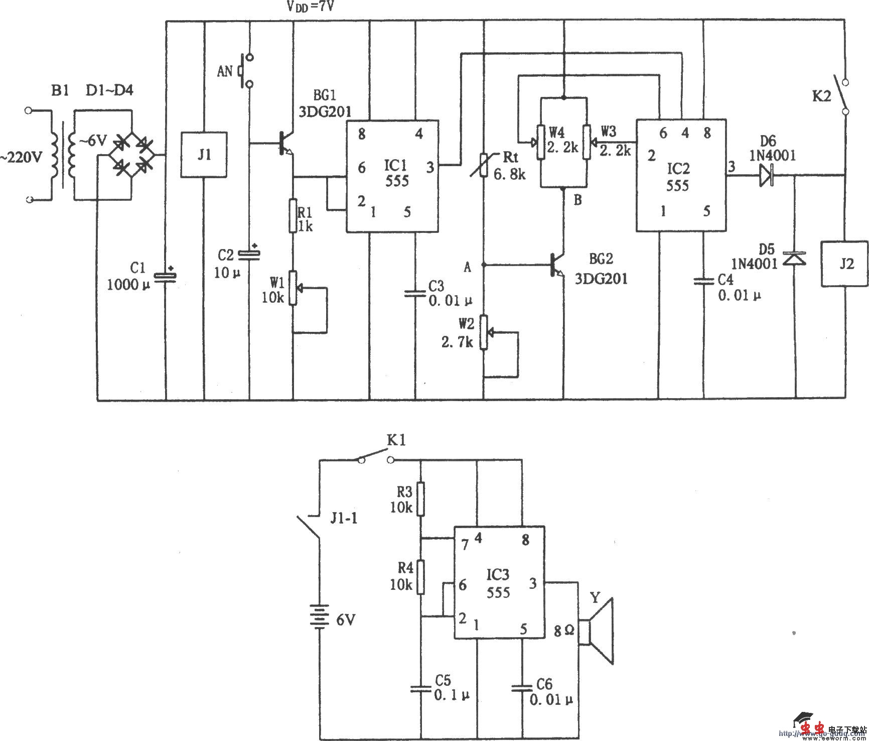
如图所示为豆芽自动浇水控制电路。该控制器由降压整流电路、断电告知器(IC3)、定时控制电路(IC1)、温度控制电路(IC2)等组成。其 中降压整流电路为整个控制器提供VDD= 7V的直流电压。
断电告知器主要由IC3和R3、R4、C5等组成的多谐振荡器控制。合上开关K1,当市电停电时,继电器J1释放,触点J1-1闭合,IC3因得电而起振,振荡频率约为1000Hz,输出信号驱动扬声器发声,告知主人停电了。
定时控制电路由IC1(555)和BG1、C2、R1、W1等组成。按一下开关AN,则BG1管导通,555因⑥脚为高电平而复位,③脚输出的低电平又加到IC2(555)的复位端,强制IC2复位。相应C2通过BG1的发射结、R1、W1进行放电,当C2放电到使IC1②脚电位低于1/3VDD时,IC1发生置位,③脚输出高电平,定时时间到。同时IC2因④脚呈商电平而处于等待触发状态。
对由IC2和W2、W3、W4、热敏电阻Rt组成的温度控制触发电路,当温度升高时,Rt阻值下降,BG2的C极电位相应下降,当下降到使IC2②脚电平低于1/3VDD时,555发生置位,③脚输出的高电平使继电器J2吸合,从而使浇水机电磁阀电压接通,对豆芽进行浇水降温。此后,随着温度的降低,Rt阻值增大,BG2的C极电位上升,当升到使555⑥脚电位高于2/3VDD时,IC2复位,③脚输出的低电平使继电器J2释放,从而使浇水机停止浇水。如此循环,使温度控制在适宜豆芽生长的环境内。
本控制器可实现在使用豆芽激素生豆芽时在激素药液浓度规定发挥作用的3小时内自动浇水,且可自动保持豆芽生长有一最佳温度范围。