⭐ 欢迎来到虫虫下载站!
|
📦 资源下载
📁 资源专辑
ℹ️ 关于我们
⭐ 虫虫下载站
🔐
登录
📝
注册
虫虫下载站
专业电子工程师资源平台
📤 上传资源
🏠 首页
📦 资源下载
📁 资源专辑
🔧 热门软件
⭐ 精品资源
🎓 基础知识
📐 电路图
📚 电子书
🔢 在线计算器
🔍 代码搜索
🏠 首页
›
电路图
›
玩具电路
›
玩具汽车遥控电路
玩具汽车遥控电路
📅 发布时间:
2013-08-16 12:03
👁️ 浏览:
2
🏷️ 标签:
汽车遥控
电路
玩具汽车遥控发射电路:
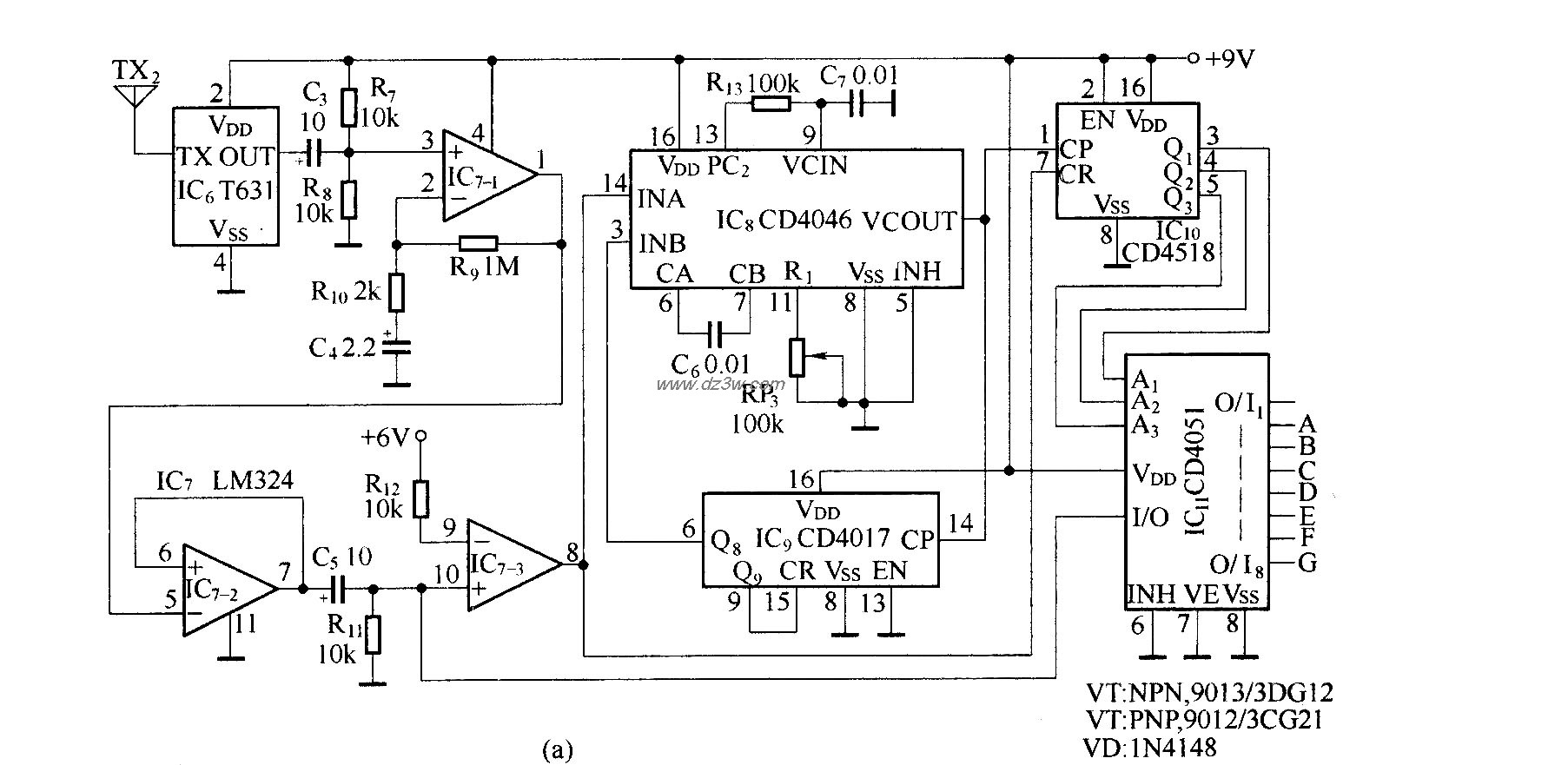
玩具汽车遥控接收电路:
(a)图所示为接收电路,它有ABCDEFG七路输出,分别控制转向(图b);左右转向灯(图c);驱动电机(图d);音乐片发出声音(图e);刹车制动电磁铁和驱动尾部刹车灯LED5LED6发光;前后大灯开关(图g);电源(图h).
觉得这篇文章有帮助吗?
👍 来顶一下 (
28
)
🔐 用户登录
×
加载中...
加载登录表单中...
🎁
免费注册送10积分
×
加载中...
加载注册表单中...
🔑 找回密码
×
加载中...
加载表单中...
🔐
需要登录
×
🔒
登录后即可使用!
🎁
新用户注册立即送10积分
积分可用于下载资源,免费获取优质技术资料
🚪
退出登录
×
👋
确认要退出登录吗?
退出后需要重新登录才能下载资源