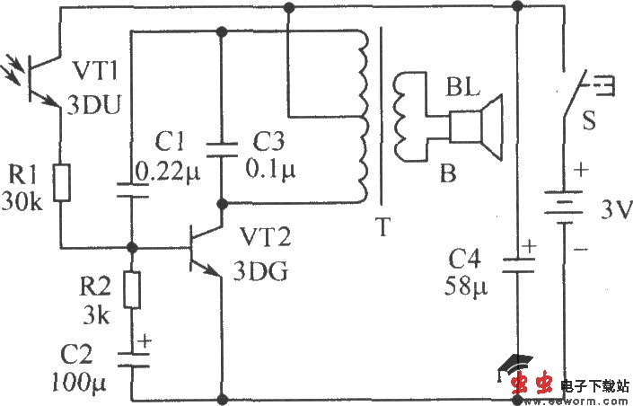
将该催醒器安装在玩具小鸟的底座里,晚上放在阳台上,早晨天亮后光敏器件受光照射,使玩具小鸟发出阵阵鸟叫声,叫唤人们赶快起床。VT1是光敏三极管,与电阻R1一起构成光控电路;VT2与振荡变压器T及一些阻容元件构成一个间歇式电感三点式振荡器。振荡器频率由变压器初级线圈电感和电容C3决定,约为1000Hz;间歇频率由R2、C2充放电电路决定,约为1Hz5Hz。无光照时,VT1截止,VT2因无基极偏置电流而截止,电路停振,扬声器无声。当天亮后,有光线照射到光敏三极管VT1的窗口时,VT1的漏电流(光电流)剧增,也就是VT2的基极偏置电流剧增,于是电路起振,产生间歇的音频振荡信号,经变压器T耦合至扬声器,发出间歇的类似鸟的叫声。元件器选择:VT1目前普遍选用的是光电流大于1mA的3DU型NPN光敏三极管。VT2选用9014(可用3DG6代替)三极管,β≥60。R1选择RTX-0125 /30kΩ碳膜电阻,R2选择RTX-0.125/3kΩ碳膜电阻。C1选择CL,0.22μF/63V耦合电容。T选择晶体管收音机用推输出变压器;B选择8Ω/0.5W扬声器。 催醒器的电路图
将该催醒器安装在玩具小鸟的底座里,晚上放在阳台上,早晨天亮后光敏器件受光照射,使玩具小鸟发出阵阵鸟叫声,叫唤人们赶快起床。VT1是光敏三极管,与电阻R1一起构成光控电路;VT2与振荡变压器T及一些阻容元件构成一个间歇式电感三点式振荡器。振荡器频率由变压器初级线圈电感和电容C3决定,约为1000Hz;间歇频率由R2、C2充放电电路决定,约为1Hz5Hz。无光照时,VT1截止,VT2因无基极偏置电流而截止,电路停振,扬声器无声。当天亮后,有光线照射到光敏三极管VT1的窗口时,VT1的漏电流(光电流)剧增,也就是VT2的基极偏置电流剧增,于是电路起振,产生间歇的音频振荡信号,经变压器T耦合至扬声器,发出间歇的类似鸟的叫声。元件器选择:VT1目前普遍选用的是光电流大于1mA的3DU型NPN光敏三极管。VT2选用9014(可用3DG6代替)三极管,β≥60。R1选择RTX-0125 /30kΩ碳膜电阻,R2选择RTX-0.125/3kΩ碳膜电阻。C1选择CL,0.22μF/63V耦合电容。T选择晶体管收音机用推输出变压器;B选择8Ω/0.5W扬声器。 觉得这篇文章有帮助吗?