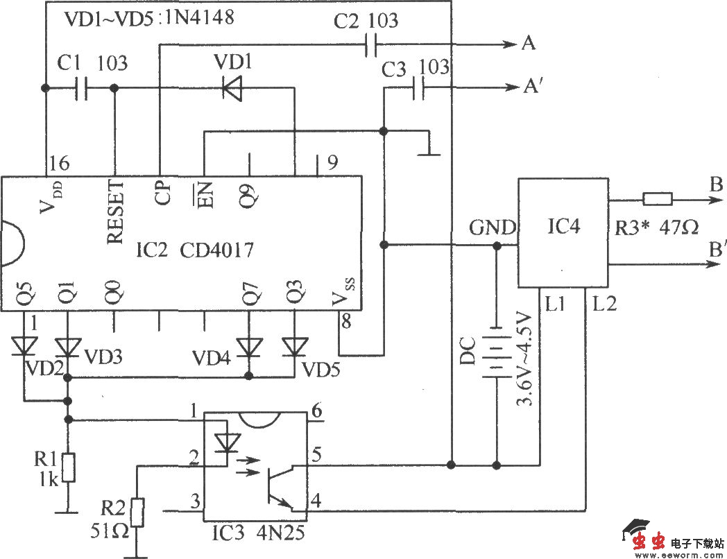
现在手机有了彩铃功能,它用各种语言、歌曲音乐来代替原来的单调振铃声,使人感到很新颖。可用玩具小手机中的芯片把家中固定电话的单调振铃声改为音乐声。下图为HA3288(22)P/TDL(LCD)“小霸王”电话机的振铃电路。为了减少原电路的改动,仅将振铃电路中扬声器的两根导线焊开。被焊开的两根导线为断点A、A'。
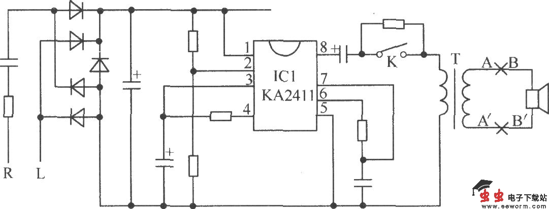
A、A'两根导线经下图电容C2、C3与IC2的14脚和“地”(GND)相连接。被焊开的扬声器上的接线柱两点为B、B'断点,此两点分别连接到下图IC4的B、B'点。此图为新增的振铃触发电路。
A、A'两根导线经下图电容C2、C3与IC2的14脚和“地”(GND)相连接。被焊开的扬声器上的接线柱两点为B、B'断点,此两点分别连接到下图IC4的B、B'点。此图为新增的振铃触发电路。