LC219/220A构成玩逐步形具汽车无线电遥控发射、接收应用电路图

📅 发布时间:2013-09-27 15:25 👁️ 浏览:1 🏷️ 标签: 219 220 LC 汽车无线电

LC219/220A构成玩逐步形具汽车无线电遥控发射、接收应用电路图 

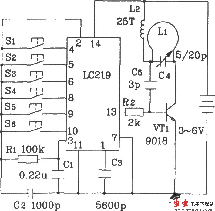
LC219构成玩具汽车无线电遥控发射应用电路

LC219/220A构成玩逐步形具汽车无线电遥控发射、接收应用电路图 

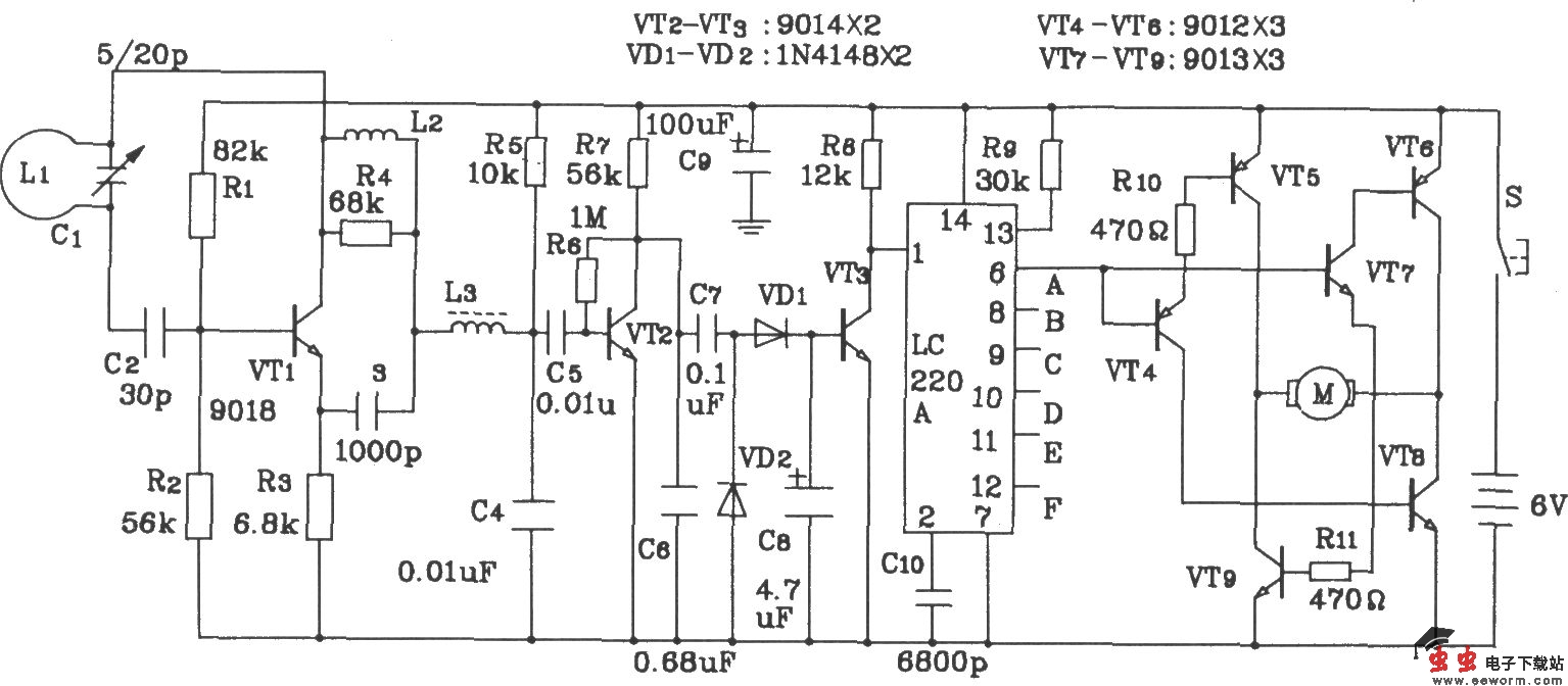
LC220A构成玩具汽车无线电遥控接收应用电路

觉得这篇文章有帮助吗?