玩具汽车遥控电路

📅 发布时间:2013-09-27 08:30 👁️ 浏览:3 🏷️ 标签: 汽车遥控 电路

玩具汽车遥控发射电路:

玩具汽车遥控电路

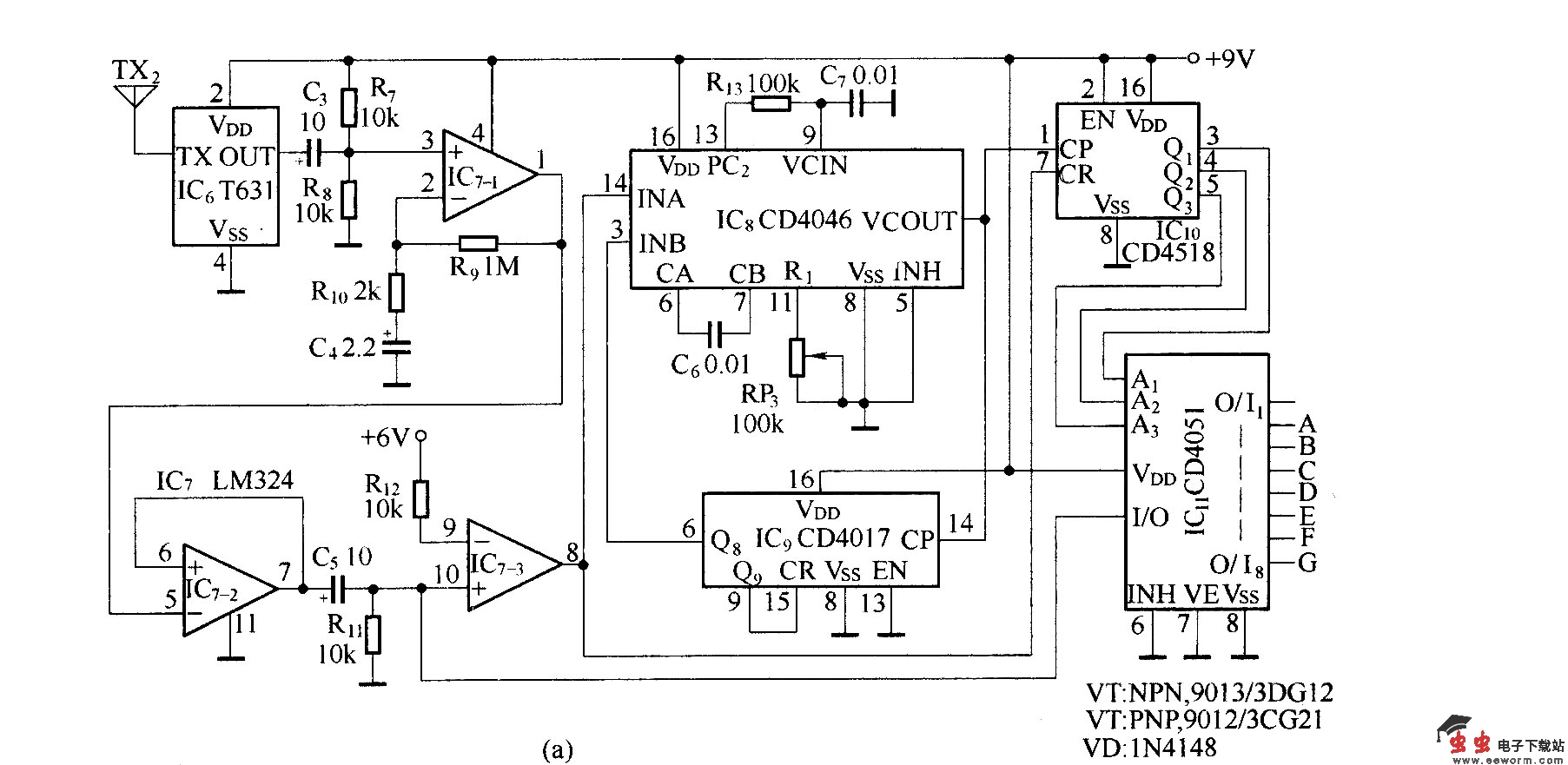
玩具汽车遥控接收电路:

玩具汽车遥控电路

玩具汽车遥控电路

玩具汽车遥控电路

(a)图所示为接收电路,它有ABCDEFG七路输出,分别控制转向(图b);左右转向灯(图c);驱动电机(图d);音乐片发出声音(图e);刹车制动电磁铁和驱动尾部刹车灯LED5LED6发光;前后大灯开关(图g);电源(图h).

觉得这篇文章有帮助吗?