用门电路组成的单稳态触发器

📅 发布时间:2013-10-11 19:25 👁️ 浏览:2 🏷️ 标签: 门电路 单稳态触发器

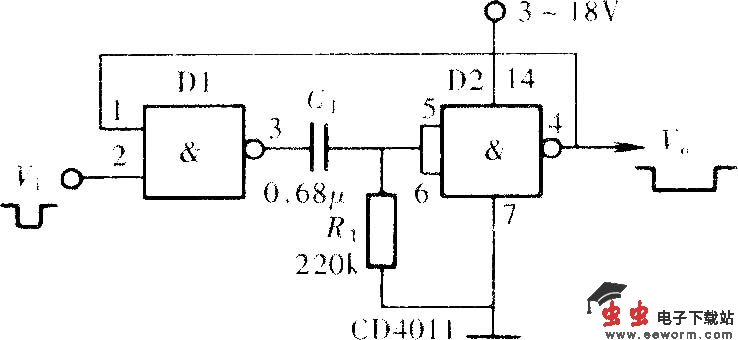
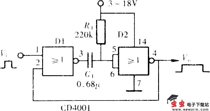
用CMOS与非门或者或非门都可以组成单稳态触发器,这种单稳态触发器在电路中广泛地用于对脉冲信号的延时、展宽和整形等。用门电路组成的单稳态触发器,它的主要原理是利用门电路输入端的阈值电平和加入门电路中的RC元件的充放电作用。用与非门或者逻辑门都可以组成单稳态触发器,但它们各自的触发方式不同,输出的逻辑电平也不同。如图所示为用门电路组成的单稳态触发器电路。

 

 

觉得这篇文章有帮助吗?