可控硅移相触发器KC06 KC06可控硅移相触发器主要适用于交流电网直接供电的双向可控硅或反并联可控硅线路的交流相位控制。能由交 流电网直接供电并无需外加同步、输出变压器和直流工作电源,并且能直接用于可控硅控制及耦合触发。具有锯齿波线性好、移相范围宽、输出电流大等优点。KC06电路同样也适用于KC05电路的使用场合。 电参数如下: 电源电压: a.外接直流电压 15V,允许波动±5%(±10%功能正常) b.自生直流电源电压: (12~14)V。 电源电流:≤l2mA。 同步电压:≥30V(有效值)。 同步输入端允许最大同步电流:3mA(有效值)。 移相范围:≥l70°(同步电压220V,同步输入电阻100kΩ)。 移相输入端偏置电流:3mA(有效值)。 锯齿波幅度:≥7~8.5v。 输出脉冲: a.脉冲宽度:l00µs~2ms(通过改变脉宽阻容元件达到)。 b.脉冲幅度:≥13V(电源电压l5V时)。 C.最大输出能力:200mA(吸收脉冲电流)。 d.输出反压:BVceo≥l8V(测试条件:Ie=IOOpA)。 正负半周脉冲相位不均衡度:≤±3°。 可控硅检测端最大输入电流:3mA(有效值)。 允许使用环境温度:-l0~ 70℃。

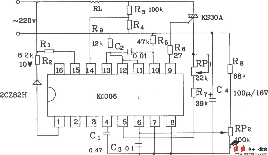
KC06引脚图 KC06是由同步检波、锯齿波形成电路、移相电压和锯齿波电压综合比较放大电路、功率放大电路和失交保护电路等部分组成。KC06应用电路如图所示。

KC06应用电路

KC06各点波形图 当负载要求大于20mA时,电流扩展法如图所示。

电流扩展接线图