APM-81电梯控制柜

📅 发布时间:2013-10-11 03:15 👁️ 浏览:2 🏷️ 标签: APM 81 电梯 控制柜

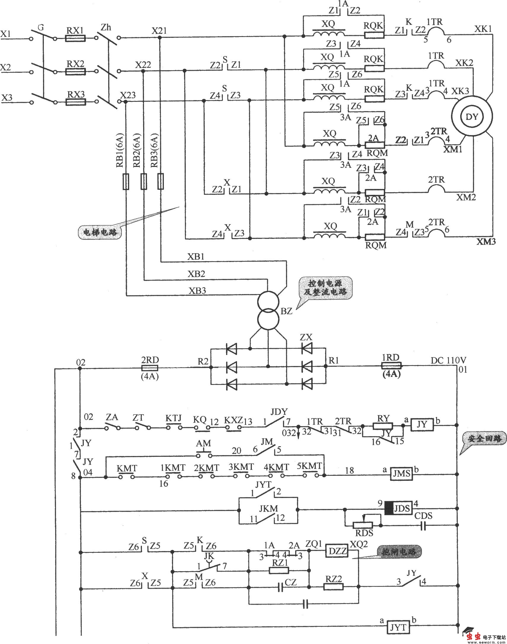
APM-81电梯主电路、安全回路与抱闸电路:

APM-81电梯控制柜

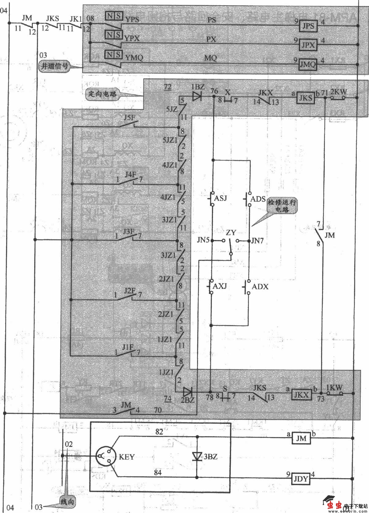
APM一81电梯控制电路(1):

APM-81电梯控制柜

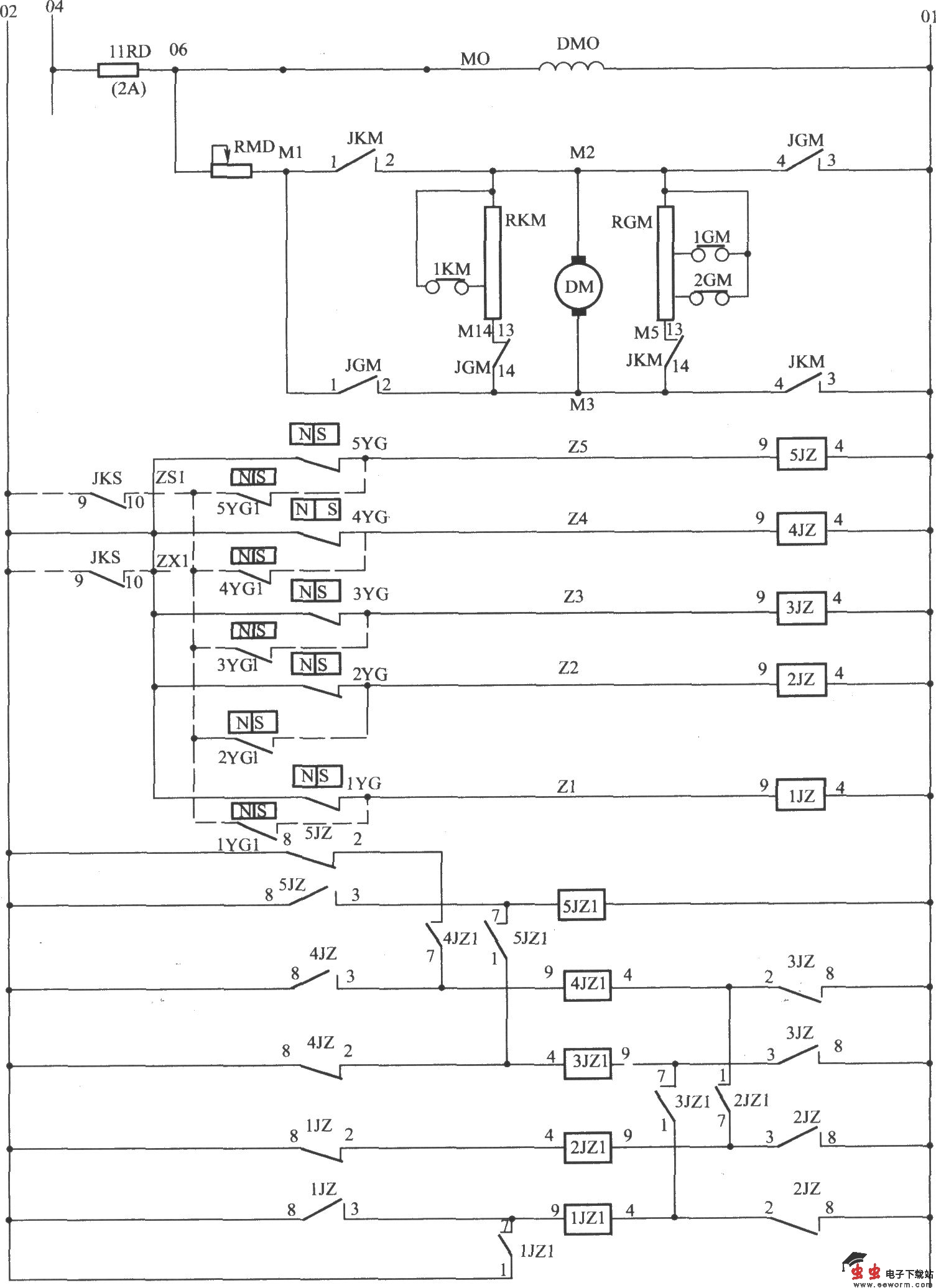
APM-81电梯控制电路(2):

APM-81电梯控制柜

APM-81电梯开门机控制电路:

APM-81电梯控制柜

APM-81电梯开门机驱动与门区电路:

APM-81电梯控制柜

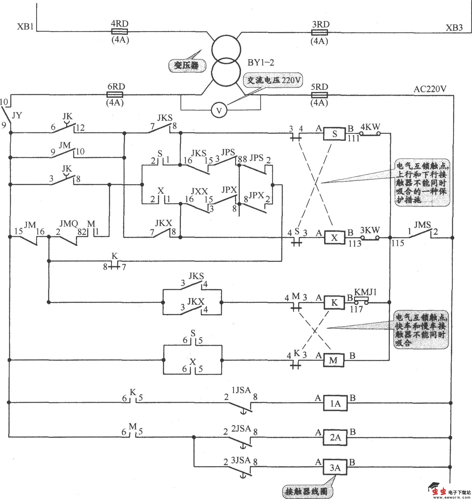
APM-81交流双速电梯按钮电路:

APM-81电梯控制柜

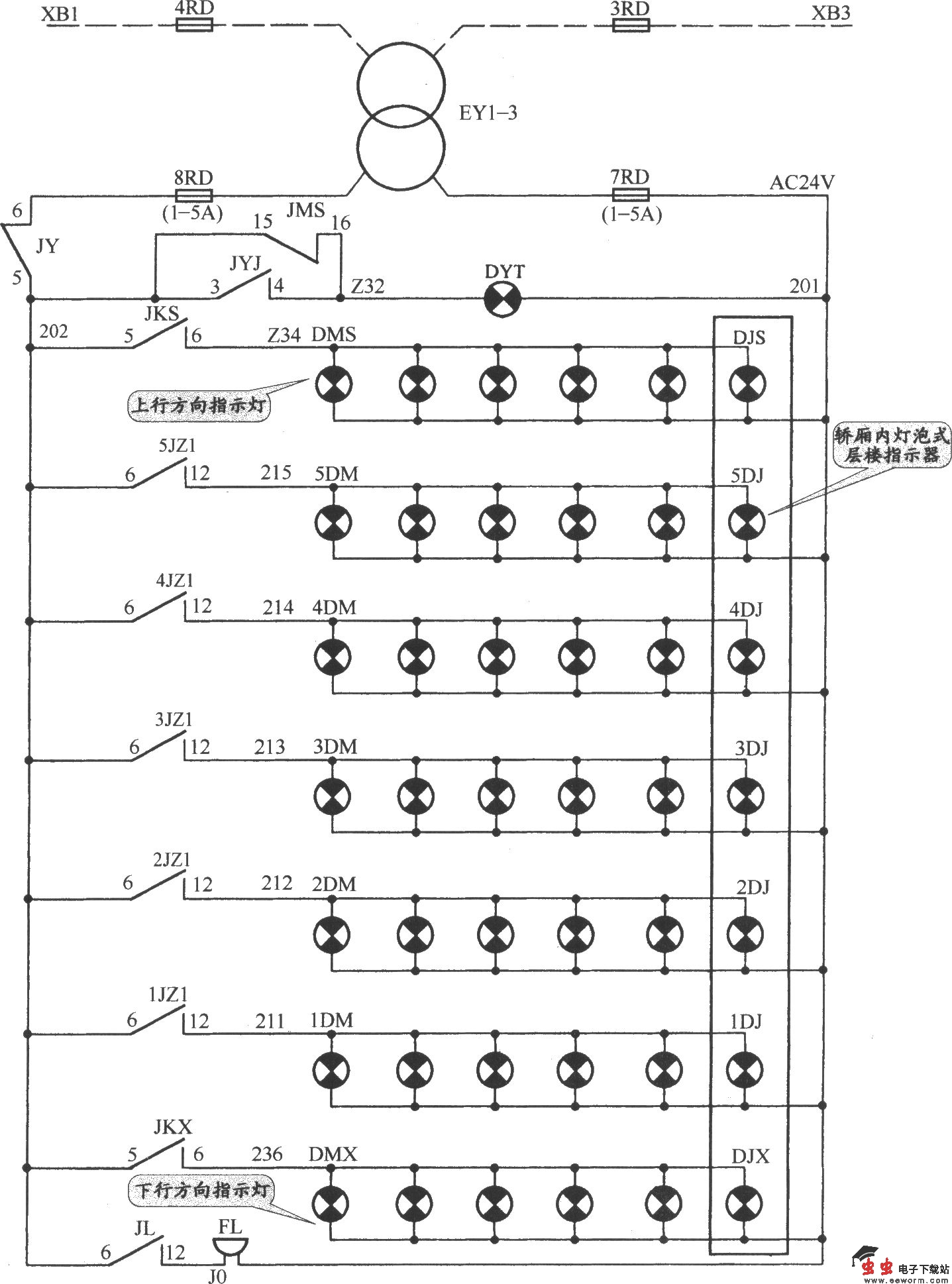
APM-81交流双速电梯指示灯电路(1):

APM-81电梯控制柜

APM-81交流双速电梯指示灯电路(2):

APM-81电梯控制柜

APM-81交流双速电梯照明电路:

APM-81电梯控制柜

APM-81交流双速电梯安全照明电路:

APM-81电梯控制柜

觉得这篇文章有帮助吗?