天津正大电梯控制柜

📅 发布时间:2013-10-11 02:45 👁️ 浏览:0 🏷️ 标签: 控制柜 电梯

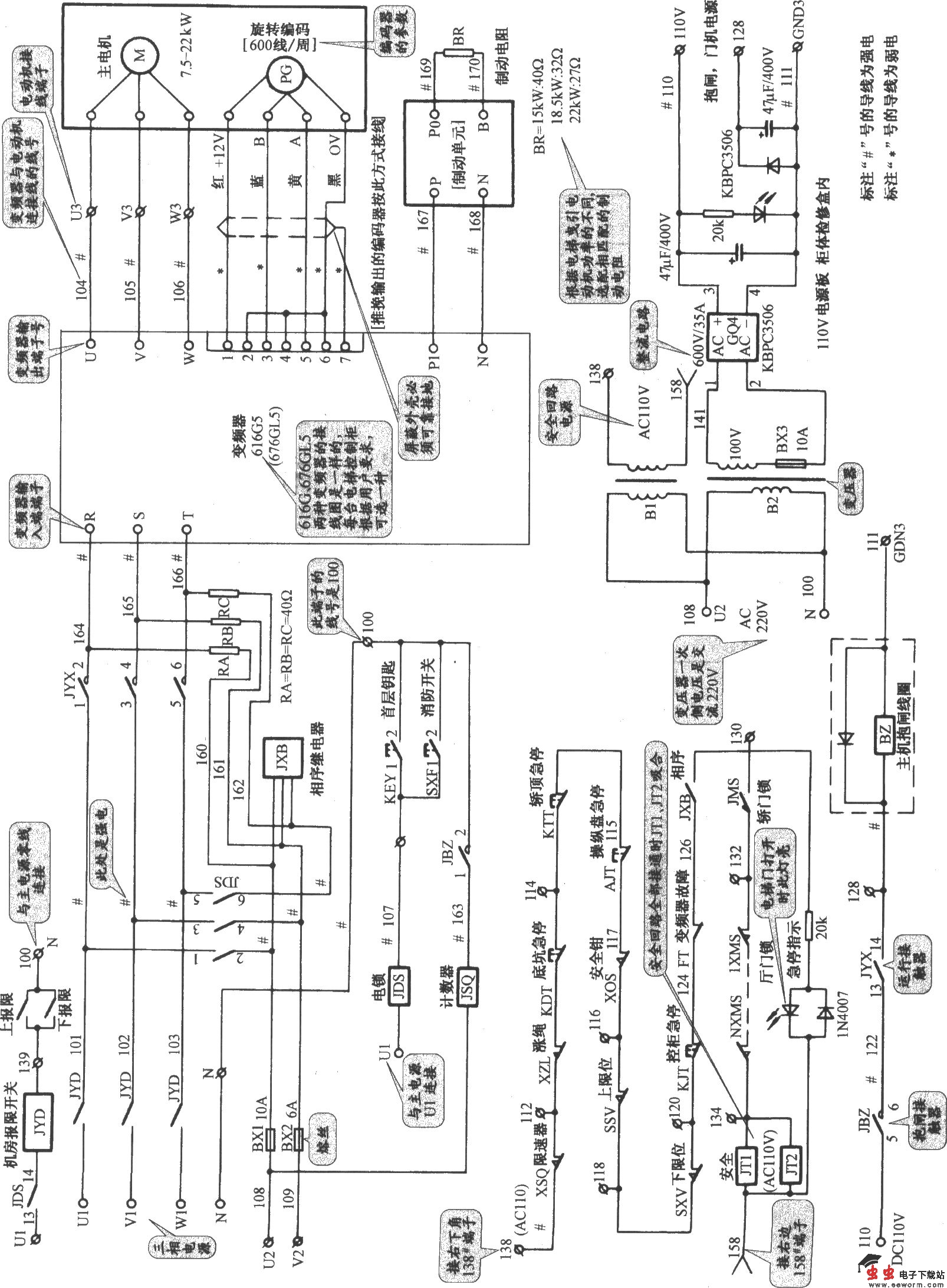
天津正大电梯主电路与安全回路:

天津正大电梯控制柜

天津正大电梯控制电路(1):

天津正大电梯控制柜

天津正大电梯控制电路(2):

天津正大电梯控制柜

天津正大电梯控制电路(3):

天津正大电梯控制柜

天津正大电梯接线端子排列图:

天津正大电梯控制柜 

觉得这篇文章有帮助吗?