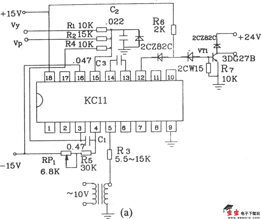
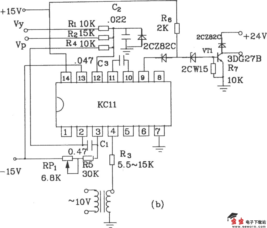
可控硅移相触发器KCll是KC01的改进型,适用在各种供电装置中作可控硅的单路脉冲移相触发。触发器具有线路简单、移相线性度好、抗干扰性能好、移相范围宽、能宽脉冲触发等优点。可以在单相、三相半控桥式供电装置中作移相触发使用。 电参数如下: 电源电压:直流 15V,-l5V,允许波动±5%(±10%功能正常)。 电源电流:正电流≤15mA。 同步电压:任意值(一般l0V左右)。 移相范围:≥l70°。 锯齿波幅度:≥l0V(幅度以锯齿波出现平顶为准)。 输出脉冲: a.脉冲宽度:l00µs~3.3ms(改变脉宽电容达到)。 b.脉冲幅度:>13V(输出接1kΩ电阻负载)。 C.最大输出能力:l5mA(吸收电流)。 d.输出反压:Bvceo≥l8V(测试条件:Ie=100pA)。 移相线性误差:≤±1%。 同步输入端允许最大同步电流:3mA(有效值)。 允许使用环境温度:-l0~ 70℃。

KC11引脚图 同步电压大于10V时需串入限流电阻R3,R3的阻值可以按下式计算:

图(a)、(b)为KC11的应用电路图:



KC11各点波形图