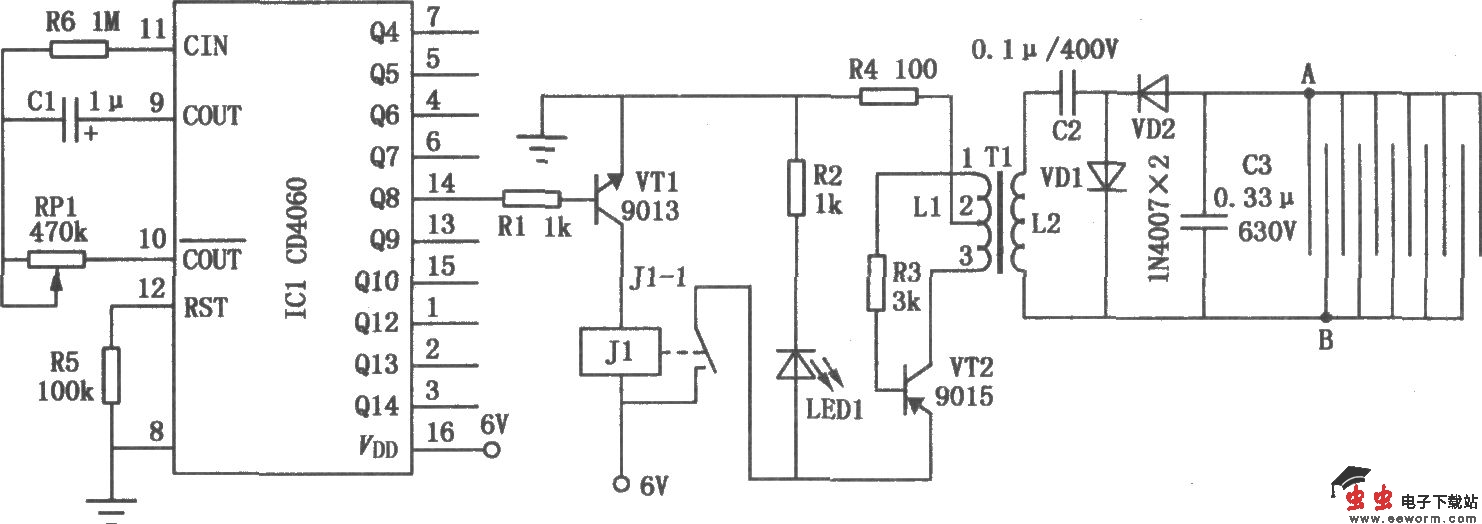
间歇式蟑螂杀灭器的电路如图所示。它主要利用直流高压电来杀灭蟑螂。但由于蟑螂对电场比较敏感,不敢爬上带高压的电网,故电路中的高压采取间歇产生的方式。
加载登录表单中...
加载注册表单中...
加载表单中...
登录后即可使用!
确认要退出登录吗?
退出后需要重新登录才能下载资源