
电度表远传数显电路(CD4553、CD4040)
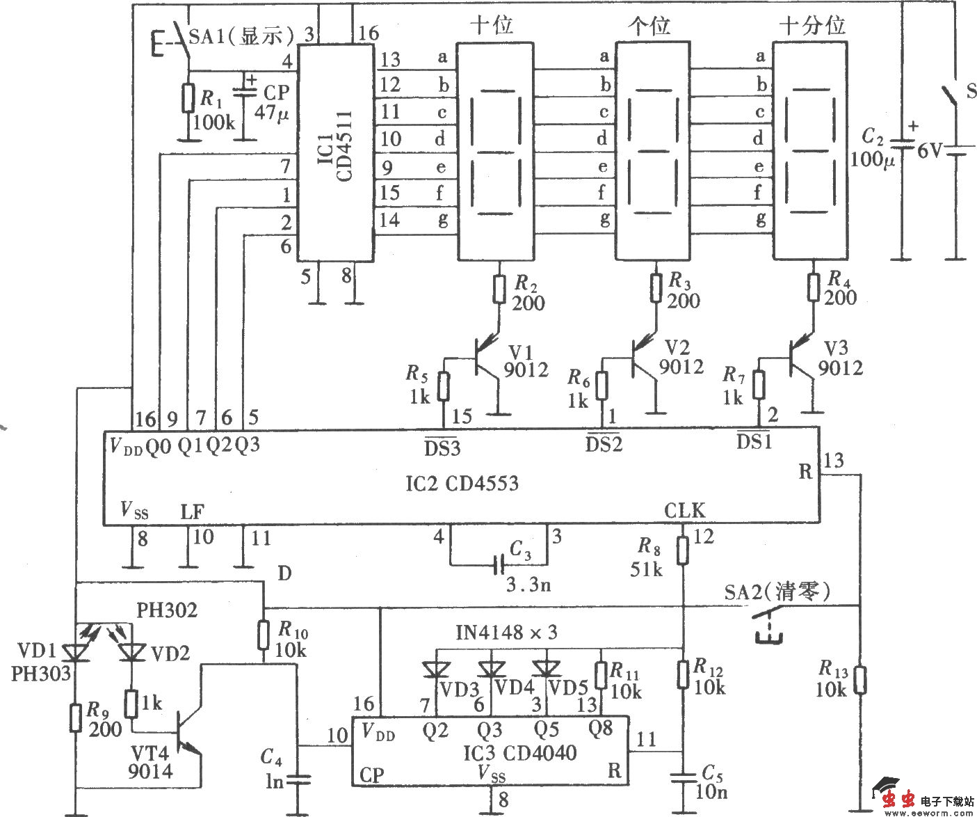
如图所示电路是专门用于对农村中挂在电杆高处的电度表的用电量检查,实际上它仍然是一只数字显示式电子计数器,只是它所显示的数值为电量的单位—“度”,即kW/h。当然,在这里我们并非直接将交流电源输入计数器,而是通过一种变换装置,将用电量转换成电子计数器可以统计的用电量单位而实现的。我们知道,当前所使用的电度表绝大多数仍然采用电一机械式测量和机械式计数器来统计用电量。这种电度表采用一组电磁铁来驱动一个铝盘旋转,由于铝盘的转数(速)与用电量的大小成正比。通过对铝盘转数的统计即可统计出用电量的大小。根据同样原理,用一台电子计数器,通过一个传感器将铝盘的转数记录下来,不也正是用电量数值吗?本电路就是根据这个原理设计和制作的。它的电路如图所示。
觉得这篇文章有帮助吗?