
实用的粮食水分测量仪电路图
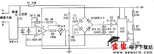
A、B是两根测量电极。由于粮食的电阻值一般很高,即使在测量电极加上150V左右的高电压,两电极间的电流也只在1μA以内,所以测量值要用IC1集成运放5G3140加以放大后再由表头M指示出来。粮食中水分含量越高,A、B电极间电流越大,电表指示值也就越大。IC2时基集成电路555构成脉冲振荡器,其输出通过变压器T升压,再经二极管整流便可获得150V高电压,供电极测量用。变压器T可用E7铁氧体磁心绕制。测量电极用两根截面2mm×2mm、长500mm的黄铜或不锈钢材料制成。
觉得这篇文章有帮助吗?