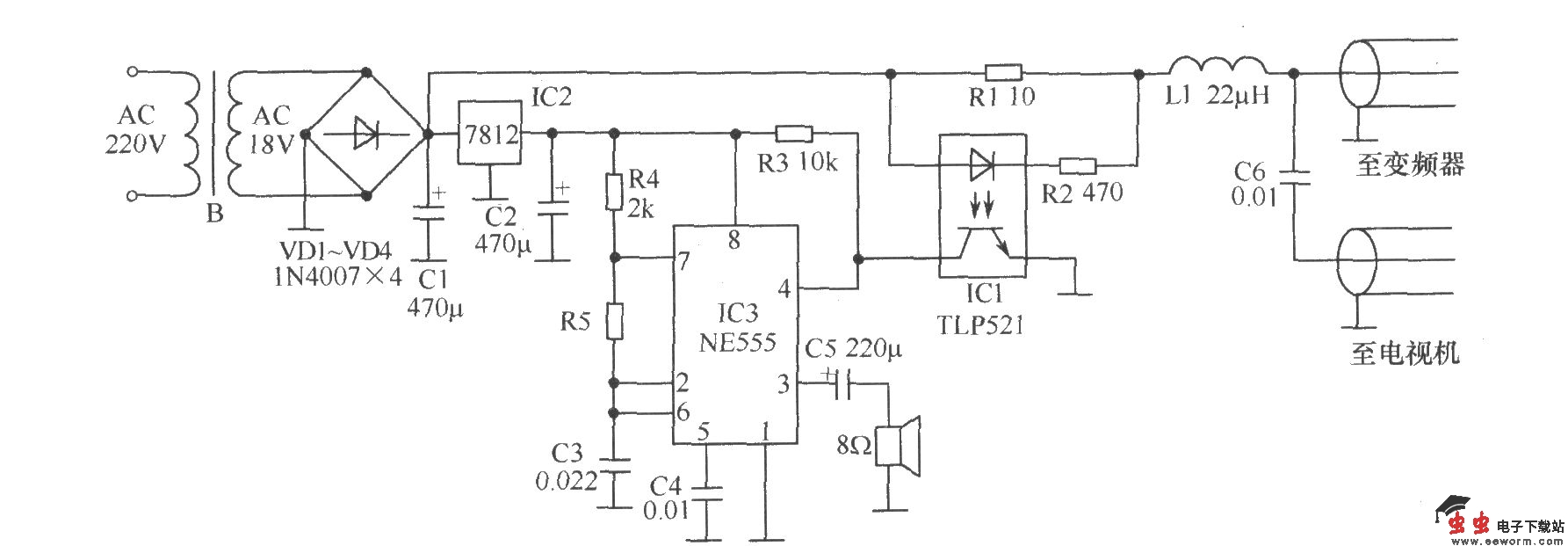
如图所示为室外天线防盗器电路。微波天线的电源是放在室内的,而变频器是放在室外的。两者用一根75同轴电缆连接,此电缆既作电源线,又作信号线。在正常工作时,电缆中有180mA~220mA的电流流过,通过对此电流的检测并配以简单的讯响电路就可以构成防盗器。图中R1、R2、R3及光电耦合器IC1构成电流检测部分,NE555及外围元件构成讯响器,7812为555提供稳定的直流电压。在正常工作时,R1两端有2V左右的压降,此电压经R2给光耦内部的发光二极管提供偏流,使内部光敏三极管饱和导通,因此IC3因4脚电压低于1V而被强制复位;3脚无振荡信号输出,喇叭不发声。当馈线被剪断时,R1两端无压降,光耦内部二极管无偏流,导致光敏三极管截止,IC3的4脚为高电平,复位解除,电路起振,喇叭发声。讯响电路也可以是其他的振荡电路或音乐集成电路,但需注意的是其触发方式及电源电压应与之相适应。该电路只要印制板设计合理,就可以安装在市售普通微波天线电源内部。安装时将原整流滤波板拆去,将本板装人即可。 室外天线防盗器电路
如图所示为室外天线防盗器电路。微波天线的电源是放在室内的,而变频器是放在室外的。两者用一根75同轴电缆连接,此电缆既作电源线,又作信号线。在正常工作时,电缆中有180mA~220mA的电流流过,通过对此电流的检测并配以简单的讯响电路就可以构成防盗器。图中R1、R2、R3及光电耦合器IC1构成电流检测部分,NE555及外围元件构成讯响器,7812为555提供稳定的直流电压。在正常工作时,R1两端有2V左右的压降,此电压经R2给光耦内部的发光二极管提供偏流,使内部光敏三极管饱和导通,因此IC3因4脚电压低于1V而被强制复位;3脚无振荡信号输出,喇叭不发声。当馈线被剪断时,R1两端无压降,光耦内部二极管无偏流,导致光敏三极管截止,IC3的4脚为高电平,复位解除,电路起振,喇叭发声。讯响电路也可以是其他的振荡电路或音乐集成电路,但需注意的是其触发方式及电源电压应与之相适应。该电路只要印制板设计合理,就可以安装在市售普通微波天线电源内部。安装时将原整流滤波板拆去,将本板装人即可。 觉得这篇文章有帮助吗?