高精度50Hz时基电路

📅 发布时间:2013-10-08 01:35 👁️ 浏览:2 🏷️ 标签: 50 Hz 高精度 时基电路

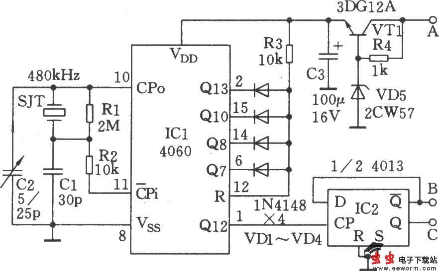
如图所示为高精度50Hz时基电路。它由两片CMOS数字集成电路和石英晶体组成。该电路产生50Hz时基信号频率准确、占空比一致、电路简单、容易制作。下图为波形图。

觉得这篇文章有帮助吗?