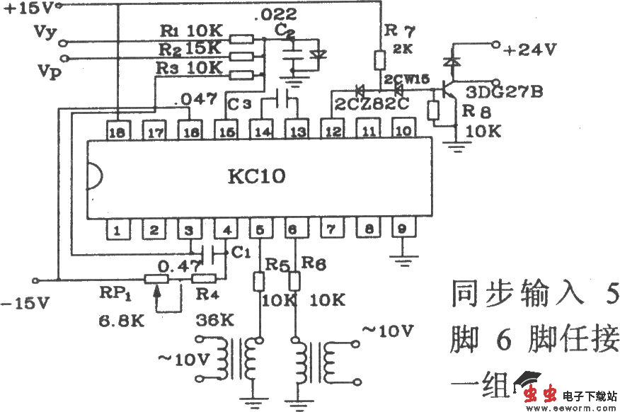
可控硅移相触发器KCl0主要适用于单相、三相半控桥式供电装置中作可控硅的单路脉冲移相触发。该触发器具有温漂小,移相线性度好,多种输出结构,同步灵敏度高,移相范围宽等功能和特点。 电参数如下: 电源电压:直流 15V,允许波动±5%(±10%功能正常: 电源电流:正电流≤15mA。 同步电压:任意值(一般l0V左右)。 移相范围:≥l70°(同步电压20V,同步电阻20kΩ)。 锯齿波幅度:≥10V(幅度以锯齿波出现平顶为准)。 输出脉冲: a.脉冲宽度:l00µs~3.3 ms(改变脉宽电容达到)。 b.脉冲幅度:>13V(输出接10kf2电阻负载)。 C.最大输出能力:l5mA(吸收电流)。 移相线性误差:≤±1%。 同步输入端允许最大同步电流:3mA(有效值)。 允许使用环境温度:-l0- 70℃。

KC10引脚图

KC10的应用电路

KC10各点波形图 KC10电路本身由锯齿波形成电路,移相电压,偏听偏信移电压和锯齿波电压综合比较放大电路及称相触发脉宽调节电路三部分组成。 同步输入电阻R5、R6可以按下式计算:
