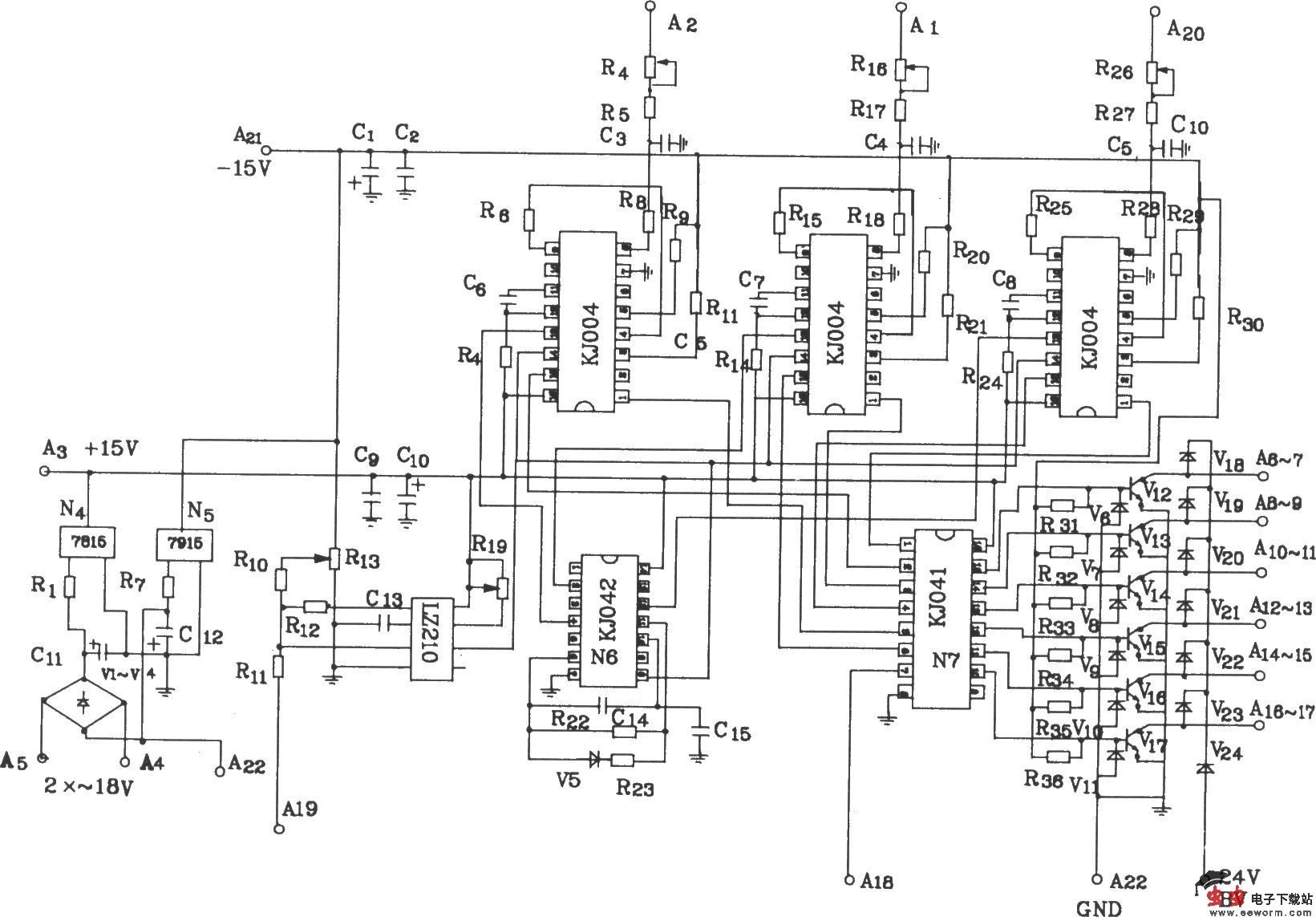
KJZ6-3可控硅三相过零触发控制板主要用于大功率温度控制系统中作可控硅触发之用。它将控制电压幅度转换为相应导通角功率足够大的触发脉冲,使主电路可靠地工作,每相输出脉冲能可靠地驱动一支大功率可控硅元件。该板有以下特点: a.带有整流稳压器件,使用时仅需一个输出双l8V的变压器就可以工作,用户不需另搞 辅助电源。并且±l5V有余量输出,可供外部使用。 b.同步端加有滤波网络,不易受电源中波形畸变的干扰。 C.适应较宽的同步电压范围,并只需三相同步电压。 d.能很方便地与系统匹配。 e.输出是脉冲列式的双脉冲,对不同宽度的脉冲可以使用统一规格的脉冲变压器。 f.有一个脉冲输出控制端,既可以作为过流保护端,也可以作为逻辑切换。如不用,可接地。 g.由于采用专用电路KJ004、KJ041、KJ042、LZ210,控制板体积小、调整维修方便。 电参数: 交流同步电压:三相30V±5V(有效值)。 同步工作电流:2~3mA(有效值)。 同步接法:380V/30V,△/Y。 功率控制范围:0~100%。 功率控制电压范围: a.-8~ 8V b.-4~ 4V C.0~8V d.-8~0V 输出级允许负载电流:≥800mA。 脉冲前沿≤1µS。 稳压输出±(15V±5V)%。 输入交流电源电压为(2×18)V(交流有效值)。 允许使用环境温度:-l0~ 70℃。 输出形式:集电级开路。 ⅪZ6—3板原理图如图所示。
KJZ6-3控制板电原理图

KJZ6-3控制板波形图