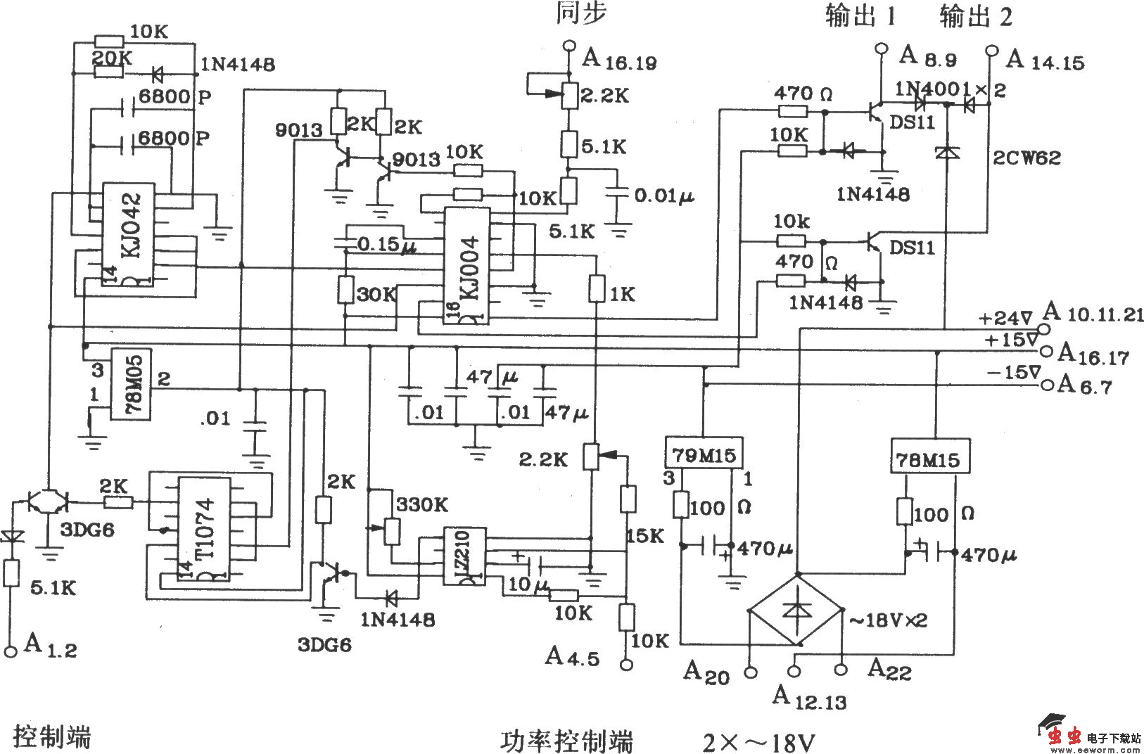
KJZ2-1单相调功组件用于功率控制系统中,它可将控制电压幅度转换为相应脉冲数,控制可控硅的导通比,达到调功的目的。它有以下特点: a.带有整流稳压器件,便于用户使用,±l5V还有余量可供外部使用。 24V直流电压供脉冲变压器使用。 b.输出脉冲是脉冲列。对不同宽度的脉冲可以使用统一的脉冲变压器。 c.采用专用电路KJ004、KJ042、LZ210和Tl07。控制板体积小、调整维修方便。 d.与调节器匹配容易。 电参数: 交流同步电压:30V(有效值)。 交流同步电流:2~3mA。 输出级允许负载电流(吸收):≤800mA。 脉冲前沿≤1µs。 控制电压范围:0~10V。 允许使用环境温度:0~ 70℃。
KJZ2-1单相调功板电原理图

KJZ2-1各点波形图