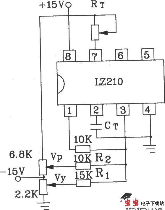
LZ210是一种专用长周期脉宽调制器电路,可使控制电压幅度的变化转换成相应脉冲宽度的变化,是和过零触发器配套作调功用的。 电参数如下: 电源电压:直流 15V。 电源电流:≤l2mA。 锯齿波幅度:≥8V(测试条件:Vcc=15V) 控制电压: a.0~ 8V b.-4~ 4V C.-8~0V d.-8~ 8V 振荡周期:当Vcc =15V,RT=100kΩ(见图2-26)时振荡周期为 T=0.06~0.12 ms(C t=200p) T=9~76 ms(C t=0.1µ) T=1~800 ms(C t=1µ) T=900~6 400ms(C t=10µ) T=24 000 ~120 000ms(C t=220µ) LZ210采用双列直插8脚封装,如图所示。

LZ210引脚图

LZ210应用电路图

LZ210各点波形图