
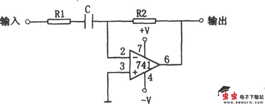
如图所示为实用微分电路。该电路为由通用运放构成。当微分器输入一个三角波时,其输出为方波,而输入信号频率由电路中电阻R1、R2和电容C决定。本电路要求R1的值约为R2的十分之一,即:
R1=R2/10
而电容C的值由R2的值与输入频率fin共同确定,其关系为:
C=1/R2fin
同样,若已知C的值,则R。的值由下式求得:
R2=1/Cfin

如图所示为实用微分电路。该电路为由通用运放构成。当微分器输入一个三角波时,其输出为方波,而输入信号频率由电路中电阻R1、R2和电容C决定。本电路要求R1的值约为R2的十分之一,即:
R1=R2/10
而电容C的值由R2的值与输入频率fin共同确定,其关系为:
C=1/R2fin
同样,若已知C的值,则R。的值由下式求得:
R2=1/Cfin