电子生日蜡烛电路

📅 发布时间:2013-10-07 04:50 👁️ 浏览:2 🏷️ 标签: 电子 电路

电子生日蜡烛电路

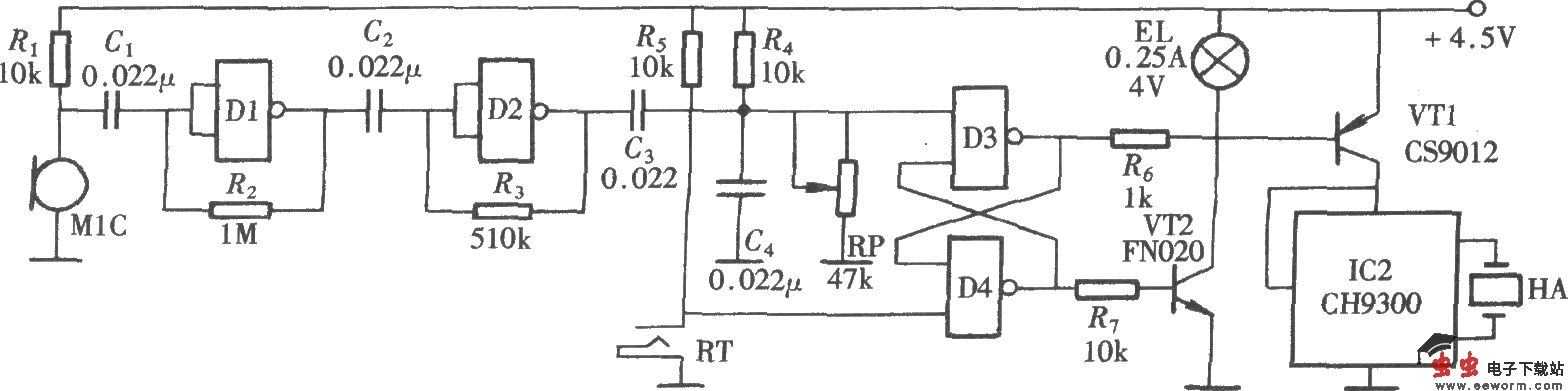
电子生日蜡烛包括一只“蜡烛”和一首“生日歌”。它采用了模仿传统生日蜡烛的外形和“点”、“吹”蜡烛的操作方式,十分新颖有趣,电路组成如图所示。它由一只四一二输入端与非门CD4011组成,其中门D3、D4组成RS触发器,利用触发器的两种输出状态来控制蜡烛的“点燃”、“吹灭”和生日歌的演奏与停止。门Dl、D2组成两级线性放大器,它和传声器MIC组成吹气信号接收转换与信号电压的放大,以形成足够的触发电压使RS触发器翻转。

觉得这篇文章有帮助吗?